Редуктор РЦД-1150-31.5
Циліндричний двоступеневий редуктор РЦД-1150-31.5
Двоступеневий редуктор РЦД-1150-31.5 — це спеціалізований перетворювальний пристрій машинобудівного призначення. Механізм використовує евольвентне зачеплення зубців циліндричної передачі для оптимізації робочого процесу та отримання необхідних систем значень моменту клювання та швидкості обертання.
Звертайтеся до наших менеджерів, щоб дізнатися всі нюанси роботи та найефективнішого використання тих, хто цікавиться вами, перетворення. У компанії «Промпривод» ви зможете вигідно купити редуктор РЦД-1150 в Україні за найпривабливішою ціною. На всі пристрої, придбані в нас на сайті, діє тривала гарантія! Здійснюємо надсилання товару по країні в найкоротші терміни!
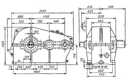
Основні розміри редуктора РЦД-1150

Число зубців у редукторі РЦД-1150
| Ступень редуктора | Загальна передавальна кількість (номінальна) | |
| 31.5 | ||
| 1 | Шестірня | 20 |
| Колесо | 128 | |
| 2 | Шестірня | 23 |
| Колесо | 115 | |
Потужності на швидкохідному валу та крутні моменти на тихохідному валу редуктора
| Режим роботи | Загальна передавальна кількість (номінальна) | N, кВт | M, кГ*м | |||||||
| Швидкість обертання швидкохідного вала, об/хв | ||||||||||
| 500 | 700 | 1000 | 1500 | 500 | 700 | 1000 | 1500 | |||
| Середній С | 31.5 | 148 | 207 | 277 | 318 | 9092 | 9092 | 8528 | 6509 | |
| Важкий Т | 31.5 | 117 | 153 | 197 | 223 | 7211 | 6717 | 6066 | 4547 | |
| Дуже важкий ВТ | 31.5 | 100 | 129 | 166 | 222 | 4120 | 5664 | 5124 | 4841 | |
| Безперервний Н | 31.5 | 76 | 106 | 150 | 222 | 4643 | 4643 | 4643 | 4541 | |
Граничні колосальні навантаження на кінцях валів, кГ
| Швидкохідний вал | Тихохідний вал | ||||||
| Режим роботи | |||||||
| З | Т | ВТ | Н | З | Т | ВТ | Н |
| 3100 | 2300 | 1720 | 1200 | 10500 | 8380 | 6300 | 6300 |
Варіанти складання редуктора РЦД-1150

Редуктор РЦД-1150-31.5
Відгуків про цей товар ще не було.
Немає відгуків про цей товар, станьте першим, залиште свій відгук.
Немає питань про даний товар, станьте першим і задайте своє питання.