Редуктор Ц3ВК-100-12.5
Циліндричний редуктор Ц3ВК-100-12.5
Циліндричні редуктори Ц3ВК-100-12.5 застосовуються в приводах вантажопідйомного обладнання спільно з електричним двигуном, допомагаючи перетворювати величини, що надходять на вхідний вал, необхідні для доцільної роботи всього агрегату.
Редуктори Ц3ВК-100-12.5 знайшли широку популярність у крановій промисловості, адже вони мають ряд істотних переваг по відношенню до подібних редукторів даного класу:
- Мають гарні вихідні характеристики – на виході ККД не нижче 94%.
- Умови експлуатації – в помірному та тропічному кліматі з широким температурним діапазоном та середньою запиленістю повітря до 10 мг/м3.
- Тривалий термін служби, який визначається надійністю системи та професійним підбором редуктора.
Детальну інформацію про редуктори Ц3ВК-100 ви можете дізнатися, замовивши дзвінок до нашого менеджера-консультанта компанії «Промпривод», здатного надати вам професійну допомогу в процесі вибору необхідного обладнання.
Зробивши замовлення у нас, ви купуєте якісний товар вищої якості з гарантією 12 місяців, що діє з моменту покупки. Доставка здійснюється по всій Україні в обумовлений термін. Для постійних клієнтів та оптових покупців діє гнучка система знижок.
Конструкція редуктора Ц3ВК-100-12.5

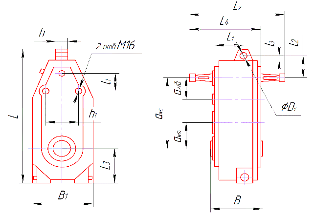
Габаритні та приєднувальні розміри редуктора Ц3ВК-100
| Типорозмір | awS | awT | awb | B | B1 | D3 | L | L1 | L2 | L3 | L4 | I1 | I2 | I3 | h | h1 |
| Ц3ВК-100-12.5 | 280 | 100 | 80 | 174 | 200 | 18 | 531 | 85 | 297 | 118 | 231 | 170 | 113 | 23 | 40 | 135 |
Варіанти складання Ц3ВК-100-12.5

Умовне позначення редукторів Ц3ВК-100-12.5
Редуктор Ц3ВК-100-12.5
Відгуків про цей товар ще не було.
Немає відгуків про цей товар, станьте першим, залиште свій відгук.
Немає питань про даний товар, станьте першим і задайте своє питання.
