Редуктор Ц3ВК-125-31.5
Циліндричний редуктор Ц3ВК-125-31.5
Редуктори Ц3ВК-125-31.5 – перетворювальні механізми з циліндричною передачею, трьома ступенями та сумарною міжосьовою відстанню тихохідного ступеня 125 мм.
Даний вид механізмів відмінно зарекомендував себе на ринку подібної продукції завдяки високому показнику ККД, тривалому експлуатаційному терміну та справній службі в умовах повторно короткочасного режиму роботи.
Компанія «Промпривод», що займається виробництвом та ремонтом редукторів, пропонує послуги з професійного вибору обладнання, яке можуть надати наші консультанти-менеджери. Замовивши дзвінок фахівця, ви зможете підібрати необхідний вид редуктора та придбаєте товар за цінами від виробника зі зручною доставкою у будь-який регіон країни.
Конструкція редуктора Ц3ВК-125-31.5

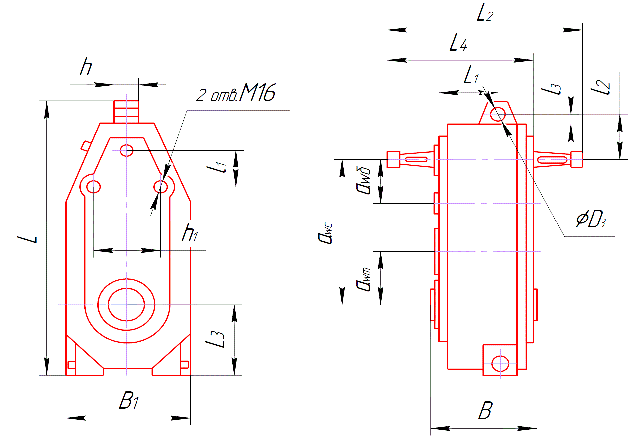
Габаритні та приєднувальні розміри редуктора Ц3ВК-125
| Типорозмір | awS | awT | awb | B | B1 | D3 | L | L1 | L2 | L3 | L4 | I1 | I2 | I3 | h | h1 |
| Ц3ВК-125-31.5 | 330 | 125 | 80 | 204 | 244 | 18 | 603 | 92 | 326 | 140 | 262 | 185 | 113 | 23 | 40 | 180 |
Варіанти складання Ц3ВК-125-31.5

Умовне позначення редукторів Ц3ВК-125-31.5

Редуктор Ц3ВК-125-31.5
Відгуків про цей товар ще не було.
Немає відгуків про цей товар, станьте першим, залиште свій відгук.
Немає питань про даний товар, станьте першим і задайте своє питання.