Редуктор Ц3ВК-200-12.5
Циліндричний редуктор Ц3ВК-200-12.5
У багатьох виробничих та будівельних сферах діяльності знайшли широке застосування редуктори Ц3ВК-200-12.5. Завдяки зручності їх експлуатації, доступності ціни та високим вихідним параметрам, циліндричні триступінчасті редуктори типу Ц3ВК-200-12.5 часто використовуються як складова частина приводу загального призначення або вантажопідйомного обладнання.
Однією з найважливіших умов тривалої та успішної роботи редуктора Ц3ВК-200 є його оптимальний вибір на стадії придбання.
Співробітники компанії «Промпривод» можуть допомогти з визначенням оптимального варіанта, надавши детальну консультацію. Крім приємного компетентного обслуговування, ви отримаєте гарантію якості на придбаний товар, що становить 12 місяців.
Конструкція редуктора Ц3ВК-200-12.5

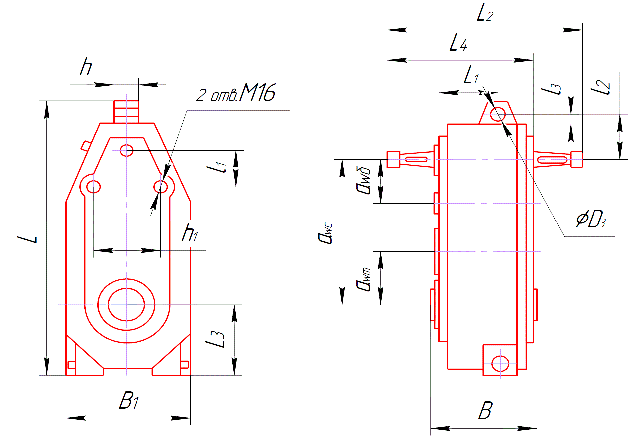
Габаритні та приєднувальні розміри редуктора Ц3ВК-200
| Типорозмір | awS | awT | awb | B | B1 | D3 | L | L1 | L2 | L3 | L4 | I1 | I2 | I3 | h | h1 |
| Ц3ВК-200-12.5 | 485 | 200 | 125 | 240 | 392 | 26 | 848 | 108 | 402 | 210 | 314 | 100 | 123 | 32 | 60 | 200 |
Варіанти складання Ц3ВК-200-12.5

Умовне позначення редукторів Ц3ВК-200-12.5

Редуктор Ц3ВК-200-12.5
Відгуків про цей товар ще не було.
Немає відгуків про цей товар, станьте першим, залиште свій відгук.
Немає питань про даний товар, станьте першим і задайте своє питання.