Червячный редуктор РЧН-180-18.5
Червячный одноступенчатый редуктор РЧН-180-18.5
Червячный редуктор РЧН-180 универсального назначения, предназначается для задач связанных с приводами и механизмами в основном в машиностроении. Червячный вал, который присутствует в этом редукторе, расположен над колесом.
Редуктор РЧН-180, с передаточным числом - 18.5, обладает рядом преимуществ. Из них стоит выделить - достаточно хорошую устойчивость к внешней среде и легкость в эксплуатации.
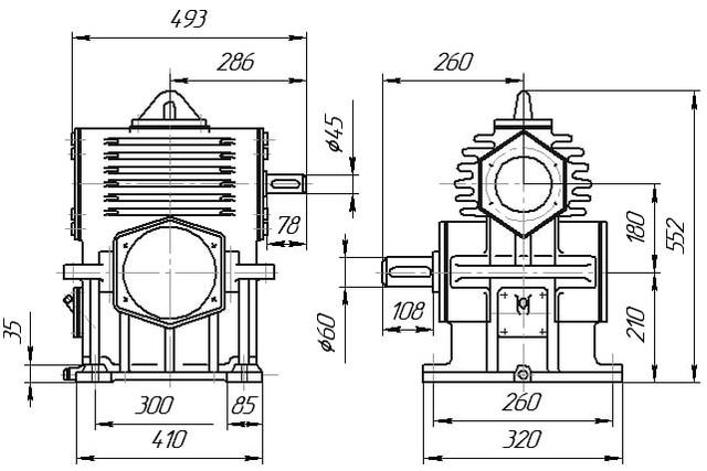
Габаритные и присоединительные размеры редуктора РЧН-180

Основные технические характеристики червячного редуктора РЧН-180
| Типоразмер редуктора | Межосевое расстояние, мм | Передаточное число | Номинальная мощность на быстроходном валу, кВт | КПД | Вес, кг | ||
| 750 | 1000 | 1500 | |||||
| РЧН-180 | 180 | 12.33 | - | 11 | 8.9 | 0.89 | 177 |
| 18.5 | 8.1 | 5.9 | 0.86 | ||||
| 37 | 5.16 | 3.3 | 0.78 | ||||
| 51 | 3.68 | 3.3 | 0.74 | ||||
Оформить заказ и приобрести редукторы РЧН-180 с разными передаточными числами вы можете у нас на сайте "Промпривод". Также у вас есть возможность проконсультироваться по интересующему вас вопросу со специалистами нашего call-центра. При совершении покупки в нашей компании, вы получите сертификат качества, а также гарантию на 12 месяцев. Доставка возможна по всей территории Украины в кротчайшие сроки.



Черв'ячний редуктор РЧН-180-18.5
Нет отзывов об этом товаре.
Нет отзывов о данном товаре, станьте первым, оставьте свой отзыв.
Нет вопросов о данном товаре, станьте первым и задайте свой вопрос.