Редуктор Ц3ВК-125-12.5
Цилиндрический редуктор Ц3ВК-125-12.5
Трехступенчатые цилиндрические преобразователи момента и скорости вращения – редукторы типа Ц3ВК-125-12.5 – получили широкую известность благодаря своему унифицированному устройству и отличным рабочим показателям.
Они часто применяются в составе кранового привода с целью задания необходимых параметров для оптимальной работы всей системы.
Компания «Промпривод», занимающаяся производством и ремонтом редукторов, предлагает услуги по профессиональному выбору оборудования, которое вам могут предоставить наши консультанты-менеджеры. Заказав звонок специалиста, вы сможете подобрать необходимый вид редуктора и приобретете товар по ценам от производителя с удобной доставкой в любой регион страны.
Конструкция редуктора Ц3ВК-125-12.5

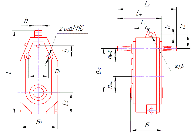
Габаритные и присоединительные размеры редуктора Ц3ВК-125
| Типоразмер | awS | awT | awb | B | B1 | D3 | L | L1 | L2 | L3 | L4 | I1 | I2 | I3 | h | h1 |
| Ц3ВК-125-12.5 | 330 | 125 | 80 | 204 | 244 | 18 | 603 | 92 | 326 | 140 | 262 | 185 | 113 | 23 | 40 | 180 |
Варианты сборки Ц3ВК-125-12.5

Условное обозначение редукторов Ц3ВК-125-12.5

Редуктор Ц3ВК-125-12.5
Нет отзывов об этом товаре.
Нет отзывов о данном товаре, станьте первым, оставьте свой отзыв.
Нет вопросов о данном товаре, станьте первым и задайте свой вопрос.