Редуктор Ц3ВК-160-31.5
Цилиндрический редуктор Ц3ВК-160-31.5
Для работы с грузоподъемным оборудованием или как часть привода общего назначения используются редукторы типа Ц3ВК-160-31.5. Они обладают отличными эксплуатационными характеристиками и высоким сроком службы.
Предназначены для передачи и преобразования параметров, исходящих от двигателя, к рабочему оборудованию с целью получения необходимых для рационального функционирования системы параметров.
Преимущество заказа редукторов типа Ц3ВК-160 в нашей компании
Компания «Промпривод» предоставляет редукторы высшего качества, произведенные согласно всем техническим требованиям из прочных материалов с гарантией, действующей с момента покупки, на 12 месяцев.
Персонал нашего предприятия составляют исключительно специалисты своей области, способные проконсультировать вас или помочь определиться с выбором, стоит лишь заказать на нашем сайте обратный звонок менеджера.
Конструкция редуктора Ц3ВК-160-31.5

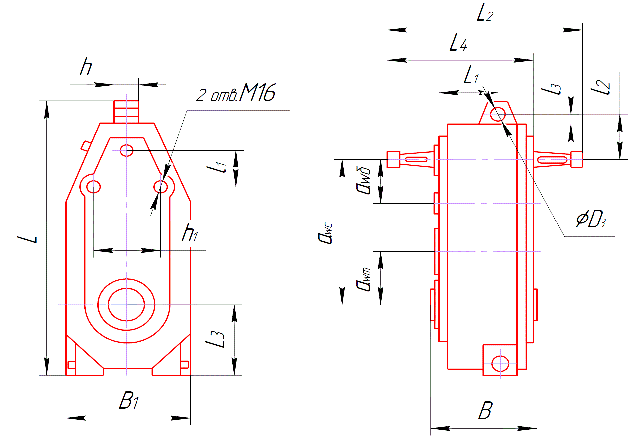
Габаритные и присоединительные размеры редуктора Ц3ВК-160
| Типоразмер | awS | awT | awb | B | B1 | D3 | L | L1 | L2 | L3 | L4 | I1 | I2 | I3 | h | h1 |
| Ц3ВК-160-31.5 | 420 | 160 | 100 | 236 | 304 | 22 | 751 | 111 | 356 | 171 | 293 | 215 | 138 | 28 | 50 | 220 |
Варианты сборки Ц3ВК-160-31.5

Условное обозначение редукторов Ц3ВК-160-31.5

Редуктор Ц3ВК-160-31.5
Нет отзывов об этом товаре.
Нет отзывов о данном товаре, станьте первым, оставьте свой отзыв.
Нет вопросов о данном товаре, станьте первым и задайте свой вопрос.