Редуктор Ц3ВК-200-31.5
Цилиндрический редуктор Ц3ВК-200-31.5
Системы, в которых необходимо преобразовывать показатели, полученные от электрического двигателя, часто имеют в своем составе редукторы типа Ц3ВК-200-31.5. Это специализированный вид устройств, помогающих повлиять на величину угловой частоты.
Соответственно этому возрастает момент кручения, находящийся в зависимости от частоты вращения подключенного к системе двигателя. Экономичность использования обусловлена продолжительным эксплуатационным сроком данного редуктора и его относительно невысокой стоимостью.
Одним из наиболее важных условий продолжительной и успешной работы редуктора Ц3ВК-200 является его оптимальный выбор на стадии приобретения.
Сотрудники компании «Промпривод» могут помочь с определением оптимального варианта, предоставив детальную консультацию. Помимо приятного компетентного обслуживания, вы получите гарантию качества на приобретенный товар, составляющую 12 месяцев.
Конструкция редуктора Ц3ВК-200-31.5

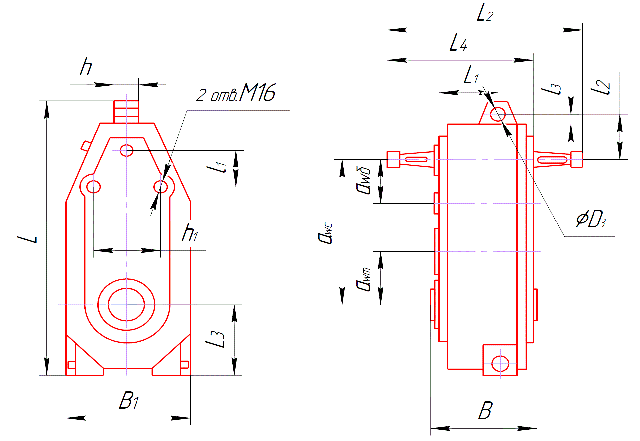
Габаритные и присоединительные размеры редуктора Ц3ВК-200
| Типоразмер | awS | awT | awb | B | B1 | D3 | L | L1 | L2 | L3 | L4 | I1 | I2 | I3 | h | h1 |
| Ц3ВК-200-31.5 | 485 | 200 | 125 | 240 | 392 | 26 | 848 | 108 | 402 | 210 | 314 | 100 | 123 | 32 | 60 | 200 |
Варианты сборки Ц3ВК-200-31.5

Условное обозначение редукторов Ц3ВК-200-31.5

Редуктор Ц3ВК-200-31.5
Нет отзывов об этом товаре.
Нет отзывов о данном товаре, станьте первым, оставьте свой отзыв.
Нет вопросов о данном товаре, станьте первым и задайте свой вопрос.