Редуктор Ц3ВК-250-12.5
Цилиндрический редуктор Ц3ВК-250-12.5
Редукторы Ц3ВК-250-12.5 устанавливаются на производствах в качестве части привода грузоподъемного агрегата. Они помогают получать оптимальные для работы системы величины путем преобразования поступающей на входной вал угловой скорости и пропорциональным увеличением крутящего момента.
Увеличить срок службы механизмов типа Ц3ВК-250 поможет их компетентный выбор на стадии покупки. Чтобы приобрести редуктор оптимальных параметров, вы можете заказать звонок специалиста компании «Промпривод», который предоставит вам всю необходимую информацию, быстро и грамотно оформит заказ и предоставит гарантию качества на купленный товар в течение 12 месяцев.
Конструкция редуктора Ц3ВК-250-12.5

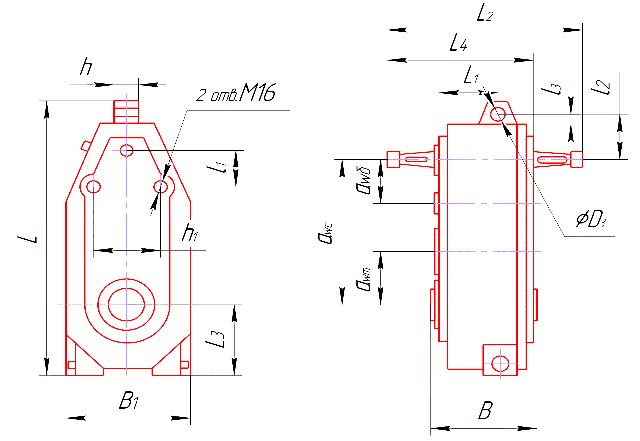
Габаритные и присоединительные размеры редуктора Ц3ВК-250
| Типоразмер | awS | awT | awb | B | B1 | D3 | L | L1 | L2 | L3 | L4 | I1 | I2 | I3 | h | h1 |
| Ц3ВК-250-12.5 | 610 | 250 | 160 | 286 | 472 | 30 | 1047 | 126 | 457 | 248 | 360 | 163 | 154 | 38 | 80 | 200 |
Варианты сборки Ц3ВК-250-12.5

Условное обозначение редукторов Ц3ВК-250-12.5

Редуктор Ц3ВК-250-12.5
Нет отзывов об этом товаре.
Нет отзывов о данном товаре, станьте первым, оставьте свой отзыв.
Нет вопросов о данном товаре, станьте первым и задайте свой вопрос.