Редуктор Ц3ВК-250-31.5
Цилиндрический редуктор Ц3ВК-250-31.5
Механизмы, выполняющие функцию передачи и преобразования угловой скорости и крутящего момента в приводах кранов и иных грузоподъемных системах, - редукторы Ц3ВК-250-31.5. Основными характеристиками данного агрегата становятся КПД и передача. Данный вид механизмов способен эксплуатироваться с коэффициентом полезного действия не менее 94% при передаточном отношении в 31.5 единиц.
Увеличить срок службы механизмов типа Ц3ВК-250 поможет их компетентный выбор на стадии покупки. Чтобы приобрести редуктор оптимальных параметров, вы можете заказать звонок специалиста компании «Промпривод», который предоставит вам всю необходимую информацию, быстро и грамотно оформит заказ и предоставит гарантию качества на купленный товар в течение 12 месяцев.
Конструкция редуктора Ц3ВК-250-31.5

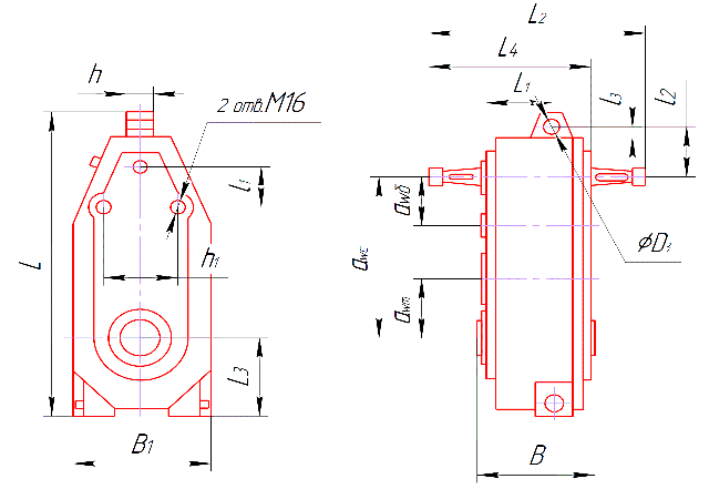
Габаритные и присоединительные размеры редуктора Ц3ВК-250
| Типоразмер | awS | awT | awb | B | B1 | D3 | L | L1 | L2 | L3 | L4 | I1 | I2 | I3 | h | h1 |
| Ц3ВК-250-31.5 | 610 | 250 | 160 | 286 | 472 | 30 | 1047 | 126 | 457 | 248 | 360 | 163 | 154 | 38 | 80 | 200 |
Варианты сборки Ц3ВК-250-31.5

Условное обозначение редукторов Ц3ВК-250-31.5

Редуктор Ц3ВК-250-31.5
Нет отзывов об этом товаре.
Нет отзывов о данном товаре, станьте первым, оставьте свой отзыв.
Нет вопросов о данном товаре, станьте первым и задайте свой вопрос.