Редуктор ЦУ-200-6.3
Цилиндрический редуктор ЦУ-200-6.3
Конструкция редуктора ЦУ-200-6.3 имеет вид одноступенчатого механизма с параллельным расположением валов внутри чугунного корпуса. Эксплуатируется в условиях с температурой окружающей среды в пределах от -40 С до +40 С.
Основными задачами данного вида редуктора являются уменьшение частоты вращения, а также увеличение крутящего момента. Используется в различных производственных сферах с постоянными или переменными нагрузками при периодических остановках.
Конструкция редуктора ЦУ-200

Технические характеристики редуктора ЦУ-200-6.3
| Характеристика | Значение | |
| Передаточное число | 6.3 | |
| Допускаемая радиальная консольная нагрузка, Н | на быстроходном валу | 2800 |
| на тихоходном валу | 6300 | |
| Номинальный крутящий момент на тихоходном валу, Н.м | 2500 | |
| КПД | 0.98 | |
| Масса, кг | 135 | |
Габаритные и присоединительные размеры редуктора ЦУ-200
| Редуктор | Aw | A | A1 | В | В1 | Н | Н1 | h | L | L1 |
| ЦУ-200-6.3 | 200 | 437 | 165 | 212 | 200 | 425 | 212 | 36 | 670 | 580 |
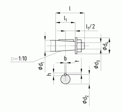
Присоединительные размеры выходных валов редуктора ЦУ

Характеристики быстроходного вала
| Редуктор | d | d1 | l | l1 | b | t |
| ЦУ-200 | 55 | М36х3.0 | 110 | 82 | 14 | 28.95 |
Характеристики тихоходного вала
| Редуктор | d | d1 | l | l1 | b | t |
| ЦУ-200 | 70 | М48х3.0 | 140 | 105 | 18 | 36.38 |
Варианты сборки редуктора ЦУ

Пример условного обозначения редуктора ЦУ-200

Чтобы купить редуктор ЦУ нужно заполнить форму заявки на странице товара, а также позвонить по телефонам, указанным на сайте. Для постоянных клиентов присутствует гибкая система скидок. Компания «Промпривод» предлагает широкий ассортимент запасных частей для редукторов различных типов. Перед отправкой каждый редуктор проходит проверку в отделе технического контроля. Осуществляем быструю и своевременную доставку редукторов по всем регионам Украины.
Редуктор ЦУ-200-6.3
Нет отзывов об этом товаре.
Нет отзывов о данном товаре, станьте первым, оставьте свой отзыв.
Нет вопросов о данном товаре, станьте первым и задайте свой вопрос.