Мотор-редуктор 3МП-63
Планетарный мотор-редуктор 3МП-63
Мотор-редуктор 3МП-63 является планетарным устройством с радиусом расположения сателлитов 63 мм. Его назначение – это уменьшение скорости оборотов и передача крутящего момента любым другим механизмам, кроме подъемных устройств.
3МП-63 по требованию заказчика может быть выполнен как одноступенчатым, двухступенчатым или трехступенчатым. Он очень надежен и долговечен, а также имеет высокий показатель КПД. Запыленность окружающей среды не должна превышать 10 мг/м3.
Купить данный мотор-редуктор можно на нашем сайте по цене от производителя. Мы предоставляем продукцию только высокого качества и с уверенностью даем длительную гарантию 36 месяцев.
К каждому товару прилагается оригинальный паспорт с подробным описанием технических характеристик и отметками ОТК.
Доставка производиться по всей территории Украины.
Технические характеристики мотор-редуктора 3МП-63
| Количество оборотов выходного вала, об/мин | Мкр на выходном валу, Нм | Применяемый мотор | Максимальная нагрузка на выходном валу, Н | КПД, % | Вес редуктора без мотора, кг | ||||
| Марка | Мощность, кВт | ||||||||
| Одноступенчатый мотор редуктор | |||||||||
| 112 | 1265 | АИР160М6 | 15 | 5300 | 97 | 90 | |||
| 1561 | AИР180S6 | 18.5 | |||||||
| 140 | 1012 | AИР160М6 | 15 | ||||||
| 1248 | AИР180S6 | 18.5 | |||||||
| 180 | 1155 | AИР180S4 | 22 | ||||||
| 1575 | AИР180М4 | 30 | |||||||
| 224 | 1265 | AИР180М4 | 30 | ||||||
| 1561 | AИР200М4 | 37 | |||||||
| 280 | 1012 | AИР180М4 | 30 | ||||||
| 1248 | AИР200М4 | 37 | |||||||
| Двухступенчатый мотор редуктор | |||||||||
| 18 | 1131 | AИР112МА8 | 2.2 | 8000 | 96 | 85 | |||
| 1542 | AИР112МВ8 | 3 | |||||||
| 22.4 | 1239 | AИР112М6 | 3 | ||||||
| 1652 | AИР112МВ6 | 4 | |||||||
| 28 | 991 | AИР112М6 | 3 | ||||||
| 1322 | AИР112МВ6 | 4 | |||||||
| 35.5 | 1043 | AИР100L4 | 4 | ||||||
| 1434 | AИР112М4 | 5.5 | |||||||
| 45 | 1131 | AИР112L4 | 5.5 | ||||||
| 1542 | AИР132S4 | 7.5 | |||||||
| 56 | 909 | AИР112L4 | 5.5 | ||||||
| 1239 | AИР132S4 | 7.5 | |||||||
| 71 | 977 | AИР112М2 | 7.5 | ||||||
| 1434 | AИР132М2 | 11 | |||||||
| 90 | 771 | AИР112М2 | 7.5 | ||||||
| 1131 | AИР132М2 | 11 | |||||||
| Трехступенчатый мотор редуктор | |||||||||
| 3.55 | 944 | АИР80А8 | 0.37 | 8500 | 95 | 70 | |||
| 1403 | АИР80В8 | 0.55 | |||||||
| 4.4 | 762 | АИР80А8 | 0.37 | ||||||
| 1132 | АИР80В8 | 0.55 | |||||||
| 5.6 | 890 | АИР71В6 | 0.55 | ||||||
| 1213 | АИР80А6 | 0.75 | |||||||
| 7.1 | 957 | АИР71В4 | 0.75 | ||||||
| 1403 | АИР80А4 | 1.1 | |||||||
| 9 | 1107 | АИР80А4 | 1.1 | ||||||
| 1510 | АИР80В4 | 1.5 | |||||||
| 12.5 | 1087 | АИР80В4 | 1.5 | ||||||
| 1594 | АИР90L4 | 2.2 | |||||||
| 16 | 849 | АИР80А2 | 1.5 | ||||||
| 1246 | АИР80В2 | 2.2 | |||||||
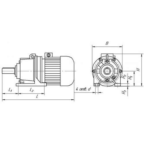
Схема габаритных и присоединительных размеров мотор-редуктора 3МП-63
На лапах

| Количество ступеней в мотор редукторе 3МП-63 | L | B | H | L1 | L2 | B1 | B2 | H1 | H2 | H3 | d1 |
| не более | |||||||||||
| одноступенчатый | 960 | 400 | 440 | 147 | 230 | 260 | 325 | 160 | 32 | – | 24 |
| двухступенчатый | 741 | 350 | 345 | – | |||||||
| трехступенчатый | 652 | 350 | 345 | ||||||||
Фланцевое исполнение

| Количество ступеней в мотор редукторе 3МП-63 | L | B | L3 | L4 | L5 | D | D1 | D2 | d2 | n |
| не более | ||||||||||
| одноступенчатый | 960 | 400 | 8 | 20 | 124 | 300 | 230 | 265 | 19 | 6 |
| двухступенчатый | 741 | 350 | ||||||||
| трехступенчатый | 652 | 350 | ||||||||
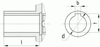
Цилиндрический выходной вал

| d | d1 | I | I1 | b | t |
| 55 | М36×3 | 110 | 82 | 14 | 28.95 |
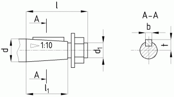
Конический выходной вал

| d | I | b | t |
| 55k6 | 110 | 16 | 59 |
Полый выходной вал

| d | I | b | t |
| по индивидуальному заказу | |||
Варианты сборки мотор-редуктора 3МП-63

Условные обозначения для мотор-редуктора 3МП-63
3МП-63-45-5,5-1131-G110-Ц-У3-380В, где
3МП - тип мотор-редуктора - мотор-редуктор планетарный;
63 - габарит - межосевое расстояние;
45 - обороты выходного вала, об/мин;
5,5 - мощность электродвигателя, кВт;
1131 - крутящий момент на выходном валу, Н.м;
G110 - конструктивное исполнение по способу монтажа;
Ц - вариант исполнения выходного вала;
У3 - климатическое исполнение и категория размещения;
380В - номинальное напряжение сети переменного тока.
Мотор-редуктор 3МП-63
Нет отзывов об этом товаре.
Нет отзывов о данном товаре, станьте первым, оставьте свой отзыв.
Нет вопросов о данном товаре, станьте первым и задайте свой вопрос.