Мотор-редуктор МР1-315
Планетарный мотор-редуктор МР1-315
Мотор-редуктор типа МР1-315 в основном предназначен для устройств перемешивающего свойства, так же его используют для машин общего назначения. Данные устройства разработаны на основе новейших достижений в области редукторостроения и обладает: высокой нагрузочной способностью, обеспечивает бесперебойную работу, выдает высокий показатели КПД. Используется в медицинской, пищевой и химической промышленности. Мотор-редуктор МР1-315 комплектуются электродвигателями повышенной мощности.
Работают непрерывно с не реверсивной нагрузкой, при работе с остановками допускается реверсивная нагрузка. Так же возможно использовать редуктор с прямой, постоянной и переменной нагрузкой.
За более чем 10 лет работы, компания «ПромПривод» заработала репутацию стабильного и надежного производителя и поставщика очень качественной продукции.
Работая с нами, вы получите:
• Гарантию и цену от производителя.
• Профессиональное обслуживание.
• Уникальный паспорт к каждому устройству.
• Быстрая обработка заказов.
• 100% выполнение всех условий договора в заданные сроки.
• Доставка по всей Украине.
Технические характеристики мотор-редуктора МР1-315
| Частота вращения выходного вала n, об/мин | Номинальный крутящий момент на выходном валу Мкр, Нм | Мощность электродвигателя Р, кВт |
| 100 | 1018 | 11 |
| 1712 | 18.5 | |
| 125 | 1110 | 15 |
| 1629 | 22 | |
| 160 | 867 | 15 |
| 1070 | 18.5 | |
| 1735 | 30 | |
| 200 | 856 | 18.5 |
| 1712 | 37 | |
| 250 | 685 | 18.5 |
| 1110 | 30 | |
| 1666 | 45 | |
| 315 | 543 | 18.5 |
| 881 | 30 | |
| 1322 | 45 |
Схема габаритных и присоединительных размеров мотор-редуктора МР1-315

| D | D1 | D2 | L | L1 | L2 | L3 | L5 | d |
| 350 | 400 | 450 | 572 | 200 | 10 | 20 | 675 | 22 |

Присоединительные размеры цилиндрического вала мотор-редуктора МР1-315:
| d | d1 | d2 | l | l1 | l2 | b | t |
| по индивидуальному заказу | |||||||

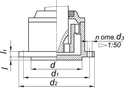
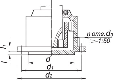
Присоединительные размеры вала в виде зубчатой полумуфты мотор редуктора МР1-315:
| d | d1 | d2 | d3 | l | l1 | n |
| 100 | 150 | 180 | 16 | 4 | 20 | 4 |
Схема условных обозначений МР1-315
Мотор-редуктор МР1-315
Нет отзывов об этом товаре.
Нет отзывов о данном товаре, станьте первым, оставьте свой отзыв.
Нет вопросов о данном товаре, станьте первым и задайте свой вопрос.
