Мотор-редуктор МР1-500
Планетарный мотор-редуктор МР1-500
Мотор-редуктор МР1-500 относится к категории планетарных редукторов. Он применяется в большей степени в химическом производстве с целью передачи своего крутящего момента другим вращающимся механизмам. Является очень простым в эксплуатации, надежным и долговечным.
Мотор-редуктор МР1-500 рекомендуют не применять в условиях агрессивной среды.
Приобрести данную модель мотор-редуктора можно у нас на сайте. Для этого Вы можете оставить заявку на сайте или позвонить нашим специалистам по указанному номеру на сайте.
Покупая у нас, Вы получаете не только высокое качество изделия по цене от производителя, но и оригинальны паспорт и гарантию 36 месяцев.
Доставка производится по всей территории Украины, способом, который наиболее подходит непосредственно Вам.
Технические характеристики мотор-редуктора МР1-500
| Частота вращения выходного вала n, об/мин | Номинальный крутящий момент на выходном валу Мкр, Нм | Мощность электродвигателя Р, кВт |
| 80 | 4280 | 37 |
| 5205 | 45 | |
| 100 | 3424 | 37 |
| 5089 | 55 | |
| 6940 | 75 | |
| 125 | 4071 | 55 |
| 5552 | 75 | |
| 160 | 3181 | 55 |
| 4337 | 75 | |
| 200 | 2545 | 55 |
| 4164 | 90 | |
| 250 | 2036 | 55 |
| 3331 | 90 | |
| 4071 | 110 | |
| 315 | 2644 | 90 |
| 3877 | 132 |
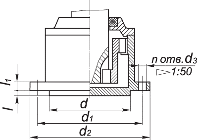
Схема габаритных и присоединительных размеров мотор-редуктора МР1-500

| D | D1 | D2 | L | L1 | L2 | L3 | L5 | d |
| 450 | 500 | 550 | 800 | 300 | 18 | 30 | 765 | 26 |

Присоединительные размеры цилиндрического вала мотор-редуктора МР1-500:
| d | d1 | d2 | l | l1 | l2 | b | t |
| по индивидуальному заказу | |||||||

Присоединительные размеры вала в виде зубчатой полумуфты мотор редуктора МР1-500:
| d | d1 | d2 | d3 | l | l1 | n |
| 150 | 224 | 260 | 20 | 4 | 22 | 6 |
Схема условных обозначений мотор-редуктора МР1-500
Структура обозначения МР1-500-15-40-Ф2В-У3:
МР1 - тип мотор-редуктора
Ф2 - исполнение горизонтальное фланцевое
500 - габарит
В - цилиндрический конец выходного вала
15 - исполнение по комплектующему электродвигателю
У3 - климатическое исполнение и категория размещения
40 - частота вращения выходного вала, об/мин
Мотор-редуктор МР1-500
Нет отзывов об этом товаре.
Нет отзывов о данном товаре, станьте первым, оставьте свой отзыв.
Нет вопросов о данном товаре, станьте первым и задайте свой вопрос.