Мотор-редуктор МР2-315
Планетарный мотор-редуктор МР2-315
Мотор-редуктор типа МР2-315 устанавливают в машины, которые предназначены для перемешивания, а так же их используют в устройствах общепромышленного назначения.
К достоинствам таких устройств можно отнести:
1. Бесперебойную работу.
2. Высокий уровень КПД.
3. Большой диапазон передаточных чисел.
4. Высокая нагрузочная способность.
Работают непрерывно с не реверсивной нагрузкой, при работе с остановками допускается реверсивная нагрузка.
За более чем 10 лет работы, компания «ПромПривод» заработала репутацию стабильного и надежного производителя и поставщика очень качественной продукции.
Работая с нами, вы получите:
• Гарантию и цену от производителя.
• Профессиональное обслуживание.
• Уникальный паспорт к каждому устройству.
• Быстрая обработка заказов.
• 100% выполнение всех условий договора в заданные сроки.
• Доставка по всей Украине.
Технические характеристики мотор-редуктора МР2-315
| Частота вращения выходного вала n, об/мин | Номинальный крутящий момент на выходном валу Мкр, Нм | Мощность электродвигателя Р, кВт |
| 25 | 4071 | 11 |
| 6847 | 18.5 | |
| 32 | 4337 | 15 |
| 6361 | 22 | |
| 40 | 3470 | 15 |
| 4280 | 18.5 | |
| 6940 | 30 | |
| 50 | 3424 | 18.5 |
| 6847 | 37 | |
| 64 | 2675 | 18.5 |
| 4337 | 30 | |
| 6506 | 45 | |
| 80 | 2140 | 18.5 |
| 3470 | 30 | |
| 5205 | 45 |
Схема габаритных и присоединительных размеров мотор-редуктора МР2-315

| А | А1 | В | В1 | D | D1 | D2 | Н | Н1 |
| 250 | 480 | 292 | 524 | 450 | 500 | 550 | 585 | 250 |
| Н2 | L | L1 | L2 | L3 | L4 | L5 | d | d1 |
| 35 | 781 | 300 | 18 | 30 | 21 | 675 | 26 | 26 |

Присоединительные размеры цилиндрического вала мотор-редуктора МР2-315:
| d | d1 | d2 | l | l1 | l2 | b | t |
| 90 | 80 | 88 | 170 | 10 | 8 | 25 | 99 |

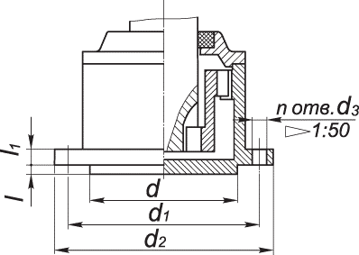
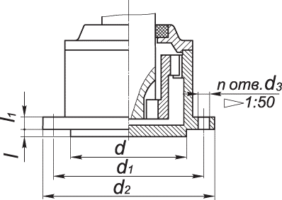
Присоединительные размеры вала в виде зубчатой полумуфты мотор редуктора МР2-315:
| d | d1 | d2 | d3 | l | l1 | n |
| 115 | 224 | 260 | 20 | 4 | 22 | 6 |
Схема условных обозначений мотор-редуктора МР2-315

Мотор-редуктор МР2-315
Нет отзывов об этом товаре.
Нет отзывов о данном товаре, станьте первым, оставьте свой отзыв.
Нет вопросов о данном товаре, станьте первым и задайте свой вопрос.