Мотор-редуктор МР2-500
Планетарный мотор-редуктор МР2-500
Планетарный мотор-редуктор типа МР2-500 сконструирован для установки в машины, которые предназначены для перемешивания. Так же данные редукторы устанавливают на агрегаты общепромышленного действия. Используется в медицинской, пищевой и химической промышленности.
Тихоходный вал может вращаться в любом направлении, без предпочтений. Температура вне системы, например в помещении, находится в диапазоне от -40 до +40 градусов Цельсия. Такие редукторы работают непрерывно до суток с не реверсивной нагрузкой, при работе с остановками допускается реверсивная нагрузка.
За более чем 10 лет работы, компания «ПромПривод» заработала репутацию стабильного и надежного производителя и поставщика очень качественной продукции.
Работая с нами, вы получите:
• Гарантию и цену от производителя.
• Профессиональное обслуживание.
• Уникальный паспорт к каждому устройству.
• Быстрая обработка заказов.
• 100% выполнение всех условий договора в заданные сроки.
• Доставка по всей Украине.
Технические характеристики мотор-редуктора МР2-500
| Частота вращения выходного вала n, об/мин | Номинальный крутящий момент на выходном валу Мкр, Нм | Мощность электродвигателя Р, кВт |
| 16 | 17349 | 30 |
| 20 | 17118 | 37 |
| 25 | 13694 | 37 |
| 32 | 8675 | 30 |
| 15904 | 55 | |
| 40 | 6904 | 30 |
| 12723 | 55 | |
| 17349 | 75 | |
| 50 | 5552 | 30 |
| 10178 | 55 | |
| 16655 | 90 | |
| 64 | 7952 | 55 |
| 13012 | 90 | |
| 15904 | 110 | |
| 80 | 10410 | 90 |
| 15267 | 132 |
Схема габаритных и присоединительных размеров мотор-редуктора МР2-500

| А | А1 | В | В1 | D | D1 | D2 | Н | Н1 |
| 330 | 640 | 465 | 740 | 720 | 780 | 840 | 825 | 400 |
| Н2 | L | L1 | L2 | L3 | L4 | L5 | d | d1 |
| 70 | 1045 | 355 | 28 | 40 | 40 | 765 | 26 | 39 |

Присоединительные размеры цилиндрического вала мотор-редуктора МР2-500:
| d | d1 | d2 | l | l1 | l2 | b | t |
| 125 | 110 | 123 | 210 | 12 | 10 | 32 | 136 |

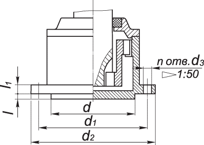
Присоединительные размеры вала в виде зубчатой полумуфты мотор-редуктора МР2-500:
| d | d1 | d2 | d3 | l | l1 | n |
| по индивидуальному заказу | ||||||
Схема условных обозначений мотор-редуктора МР2-500
.
Мотор-редуктор МР2-500
Нет отзывов об этом товаре.
Нет отзывов о данном товаре, станьте первым, оставьте свой отзыв.
Нет вопросов о данном товаре, станьте первым и задайте свой вопрос.