Мотор-редуктор МР3-315
Планетарный мотор-редуктор МР3-315
Мотор-редуктор типа МР3-315 - это устройство, в состав которого входит электрический двигатель и планетарный редуктор. Используется в медицинской, пищевой и химической промышленности.
Работают непрерывно с не реверсивной нагрузкой, при работе с остановками допускается реверсивная нагрузка. Так же возможно использовать редуктор с прямой, постоянной и переменной нагрузкой.
За более чем 10 лет работы, компания «ПромПривод» заработала репутацию стабильного и надежного производителя и поставщика очень качественной продукции.
Работая с нами, вы получите:
• Гарантию и цену от производителя.
• Профессиональное обслуживание.
• Уникальный паспорт к каждому устройству.
• Быстрая обработка заказов.
• 100% выполнение всех условий договора в заданные сроки.
• Доставка по всей Украине.
Технические характеристики мотор редуктора МР3-315
| Частота вращения выходного вала n, об/мин | Номинальный крутящий момент на выходном валу Мкр, Нм | Мощность электродвигателя Р, кВт |
| 6.3 | 4313 | 3 |
| 7908 | 5.5 | |
| 8 | 4529 | 4 |
| 8492 | 7.5 | |
| 10 | 3623 | 4 |
| 4982 | 5.5 | |
| 6794 | 7.5 | |
| 12.5 | 3986 | 5.5 |
| 7971 | 11 | |
| 16 | 4246 | 7.5 |
| 6228 | 11 | |
| 8492 | 15 | |
| 20 | 3397 | 7.5 |
| 4982 | 11 | |
| 6794 | 15 |
Схема габаритных и присоединительных размеров мотор-редуктора МР3-315

| А | А1 | В | В1 | D | D1 | D2 | Н | Н1 |
| 250 | 480 | 292 | 524 | 450 | 500 | 550 | 585 | 250 |
| Н2 | L | L1 | L2 | L3 | L4 | L5 | d | d1 |
| 35 | 781 | 300 | 18 | 30 | 21 | 675 | 26 | 26 |

Присоединительные размеры цилиндрического вала мотор-редуктора МР3-315:
| d | d1 | d2 | l | l1 | l2 | b | t |
| 90 | 80 | 88 | 170 | 10 | 8 | 25 | 99 |

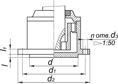
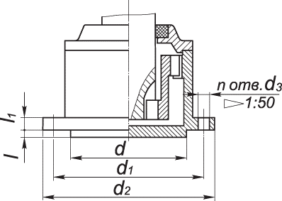
Присоединительные размеры вала в виде зубчатой полумуфты мотор редуктора МР3-315:
| d | d1 | d2 | d3 | l | l1 | n |
| 115 | 224 | 260 | 20 | 4 | 22 | 6 |
Схема условных обозначений мотор-редуктора МР3-315

Мотор-редуктор МР3-315
Нет отзывов об этом товаре.
Нет отзывов о данном товаре, станьте первым, оставьте свой отзыв.
Нет вопросов о данном товаре, станьте первым и задайте свой вопрос.