Мотор-редуктор МР3-500
Планетарный мотор-редуктор МР3-500
Мотор-редуктор типа МР3-500 в основном предназначен для устройств перемешивающего свойства, так же его используют для машин общего назначения. Данные устройства разработаны на основе новейших достижений в области редукторостроения и обладает: высокой нагрузочной способностью, обеспечивает бесперебойную работу, выдает высокий показатели КПД.
Температура в не системы, например в помещении, находится в диапазоне от -40 до +40 градусов Цельсия. Идеальная среда, для работы такого рода редукторов – не агрессивная и в меру запыленная, с влажностью воздуха не больше 80%.
За более чем 10 лет работы, компания «ПромПривод» заработала репутацию стабильного и надежного производителя и поставщика очень качественной продукции.
Работая с нами, вы получите:
• Гарантию и цену от производителя.
• Профессиональное обслуживание.
• Уникальный паспорт к каждому устройству.
• Быстрая обработка заказов.
• 100% выполнение всех условий договора в заданные сроки.
• Доставка по всей Украине.
Технические характеристики мотор редуктора МР3-500
| Частота вращения выходного вала n, об/мин | Номинальный крутящий момент на выходном валу Мкр, Нм | Мощность электродвигателя Р, кВт |
| 5 | 19928 | 11 |
| 6.3 | 15816 | 11 |
| 26599 | 18.5 | |
| 8 | 16984 | 15 |
| 24910 | 22 | |
| 10 | 13587 | 15 |
| 16758 | 18.5 | |
| 27175 | 30 | |
| 12.5 | 13406 | 18.5 |
| 26812 | 37 | |
| 16 | 10474 | 18.5 |
| 16984 | 30 | |
| 25476 | 45 | |
| 20 | 8379 | 18.5 |
| 13587 | 30 | |
| 20381 | 45 |
Схема габаритных и присоединительных размеров мотор-редуктора МР3-500

| А | А1 | В | В1 | D | D1 | D2 | Н | Н1 |
| 330 | 640 | 465 | 740 | 720 | 780 | 840 | 825 | 400 |
| Н2 | L | L1 | L2 | L3 | L4 | L5 | d | d1 |
| 70 | 1245 | 355 | 28 | 40 | 40 | 6755 | 26 | 39 |

Присоединительные размеры цилиндрического вала мотор-редуктора МР3-500:
| d | d1 | d2 | l | l1 | l2 | b | t |
| 125 | 110 | 123 | 210 | 12 | 10 | 32 | 136 |

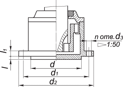
Присоединительные размеры вала в виде зубчатой полумуфты мотор редуктора МР3-500:
| d | d1 | d2 | d3 | l | l1 | n |
| по индивидуальному заказу | ||||||
Схема условных обозначений МР3-500

Мотор-редуктор МР3-500
Нет отзывов об этом товаре.
Нет отзывов о данном товаре, станьте первым, оставьте свой отзыв.
Нет вопросов о данном товаре, станьте первым и задайте свой вопрос.