Редуктор 1Ц2У-250
Редуктор 1Ц2У-250
Редуктор 1Ц2У-250 нашел применение во многих отраслях машиностроения и является механизмом для изменения параметров крутящего момента и числа оборотов разных приводов. В нем используется цилиндрический тип передачи, а его расположение должно быть горизонтальным.
Редуктор двухступенчатый 1Ц2У-250 может работать в течении долгого времени без остановок, при чем вращение может быть в одном направлении или в реверсном.
Данный редуктор является очень надежным и долговечным.
Купить редуктор 1Ц2У-250 можно у нас на сайте.
Для заказа товара, нужно всего лишь заполнить онлайн-форму или отправить заявку на наш электронный адрес. Если возникли дополнительные вопросы по данному товару, звоните на номер, указанный у нас на сайте.
Приобретая товар у нас, Вы получаете:
• высокое качество,
• цену от производителя,
• паспорт,
• гарантию на 36 месяцев.
Доставка осуществляется по всей Украине в четко оговоренный срок.
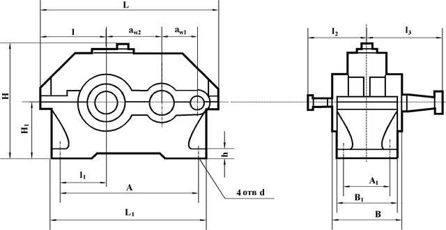
Схема габаритных и присоединительных размеров редуктора 1Ц2У-250

| Типоразмер | wт | wб | A | B | 1 | H | 1 | h | L | 1 | 2 | 3 | 4 | 5 | d |
| 1Ц2У-250 | 250 | 160 | 670 | 280 | 218 | 515 | 265 | 32 | 825 | 730 | 212 | 290 | 265 | 335 | 28 |
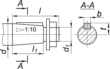
Присоединительные размеры конических валов редуктора 1Ц2У-250

| Типоразмер | быстроходный | тихоходный | ||||||||||
| d | 1 | l | 1 | b | t | d | 1 | l | 1 | b | t | |
| 1Ц2У-250 | 40 | М24х2,0 | 110 | 82 | 10 | 20,9 | 90 | М64х4,0 | 170 | 130 | 22 | 46,75 |
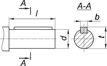
Присоединительные размеры цилиндрических валов редуктора 1Ц2У-250

| Типоразмер | быстроходный | тихоходный | ||||||
| d | l | b | t | d | l | b | t | |
| 1Ц2У-250 | 35k6 | 82 | 10 | 38 | 85m6 | 170 | 22 | 90 |
Присоединительные размеры в виде зубчатой полумуфты редуктора 1Ц2У-250

| Типоразмер | b | d | 1 | 2 | 3 | L | l | 1 | Зацепление | |
| m | z | |||||||||
| 1Ц2У-250 | 30 | 232 | 150 | 120F8 | 170 | 231 | 10 | 50 | 4 | 56 |
Технические характеристики редуктора 1Ц2У-250
| Наименование технических характеристик | Ед. изм. | Типоразмер | |
| 1Ц2У-250 | |||
| Передаточные числа | 8; 10; 12,5; 16; 20; 25; 31,5; 40 | ||
| Допускаемая радиальная консольная нагрузка | на быстроходном валу | Н | 3150 |
| на тихоходном валу | 18000 | ||
| Номинальный крутящий момент на тихоходном валу | Н.м | 5000 | |
| КПД | % | 0,97 | |
| Масса | кг | 320 | |
Варианты сборки редукторов 1Ц2У

Схема условных обозначений 1Ц2У

Редуктор 1Ц2У-250
Нет отзывов об этом товаре.
Нет отзывов о данном товаре, станьте первым, оставьте свой отзыв.
Нет вопросов о данном товаре, станьте первым и задайте свой вопрос.