Редуктор 1Ц2У-315
Редуктор 1Ц2У-315
Редуктор 1Ц2У-315 является надежным и долговечным устройством для изменения параметров крутящего момента и скорости оборотов приводов. Его применяют в различных отраслях машиностроения. Он имеет параллельно расположенные оси и цилиндрический тип передачи. Расположение его должно быть горизонтальным.
Двухступенчатый редуктор 1Ц2У-315 может работать в течении длительного времени без остановки, с разными типами нагрузки. Валы имеют возможность вращения в любом из нужных направлений или реверсном режиме.
Купить редуктор 1Ц2У-315 можно у нас на сайте.
Для заказа товара, нужно всего лишь заполнить онлайн-форму или отправить заявку на наш электронный адрес. Если возникли дополнительные вопросы по данному товару, звоните на номер, указанный у нас на сайте.
Приобретая товар у нас, Вы получаете:
• высокое качество,
• цену от производителя,
• паспорт,
• гарантию на 36 месяцев.
Доставка осуществляется по всей Украине в четко оговоренный срок.
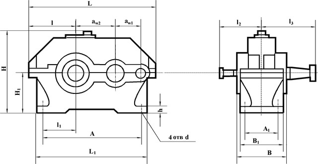
Схема габаритных и присоединительных размеров редуктора 1Ц2У-315

| Типоразмер | A wт | A wб | B | B1 | B2 | H | H1 | h | L | L1 | L2 | L3 | L4 | L5 | d |
| 1Ц2У-315 | 315 | 200 | 395 | 260 | 318 | 685 | 335 | 35 | 1030 | 370 | 215 | 360 | 300 | 420 | 28 |
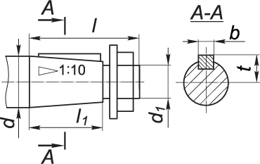
Присоединительные размеры конических валов редуктора 1Ц2У-315

| Типоразмер | быстроходный вал | тихоходный вал | ||||||
| d | l | b | t | d | l | b | t | |
| 1Ц2У-315 | 50k6 | 110 | 14 | 53,5 | 110m6 | 210 | 28 | 116 |
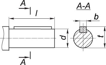
Присоединительные размеры цилиндрических валов редуктора 1Ц2У-315

| Типоразмер | b | d | d1 | d2 | d3 | L | l | l1 | Зацепление | |
| m | z | |||||||||
| 1Ц2У-315 | 30 | 252 | 130 | 110F8 | 140 | 275 | 10 | 60 | 6 | 40 |
Присоединительные размеры в виде зубчатой полумуфты редуктора 1Ц2У-315

| Типоразмер | b | d | d1 | d2 | d3 | L |
| 1Ц2У-315 | 5 | 110h9 | 75h9 | 55 | М8х20 | 200 |
Технические характеристики редуктора 1Ц2У-315
| Наименование технических характеристик | Ед. изм. | Типоразмер | |
| 1Ц2У-315 | |||
| Передаточные числа | 8; 10; 12,5; 16; 20; 25; 31,5; 40; 50 | ||
| Допускаемая радиальная консольная нагрузка | на быстроходном валу | Н | 3500 |
| на т/х цилиндрическом валу | 30000 | ||
| на т/х валу в виде зубчатой муфты | 40000 | ||
| Номинальный крутящий момент на выходном валу | Н.м. | 10000 | |
| КПД | % | 0,98 | |
| Масса | кг | 510 | |
Варианты сборки редукторов 1Ц2У

Схема условных обозначений 1Ц2У

Редуктор 1Ц2У-315
Нет отзывов об этом товаре.
Нет отзывов о данном товаре, станьте первым, оставьте свой отзыв.
Нет вопросов о данном товаре, станьте первым и задайте свой вопрос.