Редуктор 1Ц2У-355
Редуктор 1Ц2У-355
Горизонтальный двухступенчатый редуктор 1Ц2У-355 широко применяется во многих направлениях машиностроения. Задачей редуктора является изменение показателей крутящего момента и скорости вращения привода.
Редуктор 1Ц2У-355 имеет ряд условий по применению:
• работа до 24 часов без остановок или с периодическими паузами,
• эксплуатирование при разных типах нагрузки,
• вращение валов в любом из направлений,
• запыленность окружающей среды до 10 мг/м3,
• применение в сухом, умеренном и тропическом климате.
Для увеличения срока службы, рекомендовано не использовать редуктор в агрессивной среде.
Купить редуктор 1Ц2У-355 можно у нас на сайте.
Для заказа товара, нужно всего лишь заполнить онлайн-форму или отправить заявку на наш электронный адрес. Если возникли дополнительные вопросы по данному товару, звоните на номер, указанный у нас на сайте.
Приобретая товар у нас, Вы получаете: высокое качество, цену от производителя, паспорт, гарантию на 36 месяцев.
Доставка осуществляется по всей Украине в четко оговоренный срок.
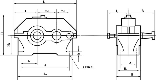
Схема габаритных и присоединительных размеров редуктора 1Ц2У-355

| Типоразмер | A wт | A wб | B | B1 | B2 | H | H1 | h | L | L1 | L2 | L3 | L4 | L5 | d |
| 1Ц2У-355 | 355 | 225 | 435 | 280 | 360 | 740 | 375 | 35 | 1160 | 425 | 250 | 400 | 320 | 440 | 28 |
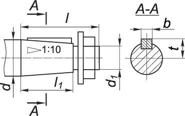
Присоединительные размеры конических валов редуктора 1Ц2У-355

| Типоразмер | быстроходный вал | тихоходный вал | ||||||
| d | l | b | t | d | l | b | t | |
| 1Ц2У-355 | 55m6 | 110 | 16 | 59 | 125m6 | 210 | 32 | 132 |
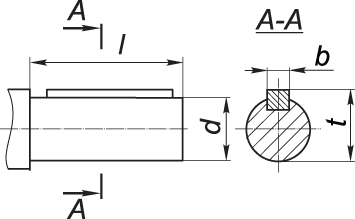
Присоединительные размеры цилиндрических валов редуктора 1Ц2У-355

| Типоразмер | b | d | d1 | d2 | d3 | L | l | l1 | Зацепление | |
| m | z | |||||||||
| 1Ц2Н-355 | 35 | 294 | 130 | 110F8 | 140 | 310 | 12.5 | 65 | 7 | 40 |
Присоединительные размеры в виде зубчатой полумуфты редуктора 1Ц2У-355

| Типоразмер | b | d | d1 | d2 | d3 | L |
| 1Ц2У-355 | 5 | 125h9 | 75h9 | 55 | М8х20 | 235 |
Технические характеристики редуктора 1Ц2У-355
| Наименование технических характеристик | Ед. изм. | Типоразмер | |
| 1Ц2У-355 | |||
| Передаточные числа | 8; 10; 12,5; 16; 20; 25; 31,5; 40; 50 | ||
| Допускаемая радиальная консольная нагрузка | на быстроходном валу | Н | 4200 |
| на т/х цилиндрическом валу | 40000 | ||
| на т/х валу в виде зубчатой муфты | 50000 | ||
| Номинальный крутящий момент на выходном валу | Н.м. | 14000 | |
| КПД | % | 0,98 | |
| Масса | кг | 700 | |
Варианты сборки редукторов 1Ц2У

Схема условных обозначений 1Ц2У

Редуктор 1Ц2У-355
Нет отзывов об этом товаре.
Нет отзывов о данном товаре, станьте первым, оставьте свой отзыв.
Нет вопросов о данном товаре, станьте первым и задайте свой вопрос.