Редуктор 1Ц2У-400
Редуктор 1Ц2У-400
Редуктор 1Ц2У-400 служит для изменения параметров крутящего момента и числа оборотов различных приводов. Он является двухступенчатым горизонтальным механизмом с цилиндрическим типом передачи и параллельным расположением осей.
Редуктор двухступенчатый горизонтальный 1Ц2У-400 надежен, долговечен и имеет высокий показатель КПД. Его валы могут вращаться в любом направлении при постоянной и переменной нагрузке.
Эксплуатировать редуктор 1Ц2У-400 можно в сухом, умеренном и влажном климате с степенью запыленности не превышающую 10 мг/м3.
Купить редуктор 1Ц2У-400 можно у нас на сайте.
Для заказа товара, нужно всего лишь заполнить онлайн-форму или отправить заявку на наш электронный адрес. Если возникли дополнительные вопросы по данному товару, звоните на номер, указанный у нас на сайте.
Приобретая товар у нас, Вы получаете:
• высокое качество,
• цену от производителя,
• паспорт,
• гарантию на 36 месяцев.
Доставка осуществляется по всей Украине в четко оговоренный срок.
Схема габаритных и присоединительных размеров редуктора 1Ц2У-400

| Типоразмер | A wт | A wб | B | B1 | B2 | H | H1 | h | L | L1 | L2 | L3 | L4 | L5 | d |
| 1Ц2У-400 | 400 | 250 | 475 | 330 | 420 | 835 | 425 | 42 | 1300 | 475 | 280 | 450 | 380 | 500 | 35 |
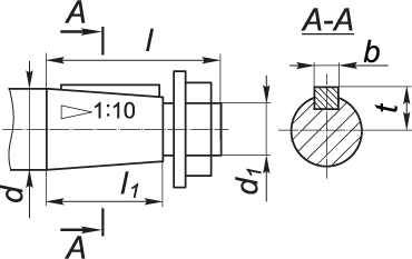
Присоединительные размеры конических валов редуктора 1Ц2У-400

| Типоразмер | быстроходный вал | тихоходный вал | ||||||
| d | l | b | t | d | l | b | t | |
| 1Ц2У-400 | 60m6 | 140 | 18 | 64 | 140m6 | 250 | 36 | 148 |
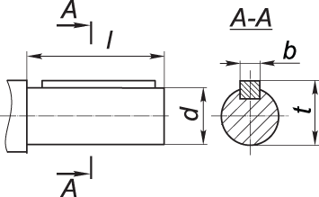
Присоединительные размеры цилиндрических валов редуктора 1Ц2У-400

| Типоразмер | b | d | d1 | d2 | d3 | L | l | l1 | Зацепление | |
| m | z | |||||||||
| 1Ц2У-400 | 40 | 336 | 180 | 150F8 | 215 | 335 | 15 | 65 | 8 | 40 |
Присоединительные размеры в виде зубчатой полумуфты редуктора 1Ц2У-400

| Типоразмер | b | d | d1 | d2 | d3 | L |
| 1Ц2У-400 | 5 | 140h9 | 75h9 | 55 | М8х20 | 240 |
Технические характеристики редуктора 1Ц2У-400
| Наименование технических характеристик | Ед. изм. | Типоразмер | |
| 1Ц2У-400 | |||
| Передаточные числа | 8; 10; 12,5; 16; 20; 25; 31,5; 40; 50 | ||
| Допускаемая радиальная консольная нагрузка | на быстроходном валу | Н | 4800 |
| на т/х цилиндрическом валу | 45000 | ||
| на т/х валу в виде зубчатой муфты | 56000 | ||
| Номинальный крутящий момент на выходном валу | Н.м. | 20000 | |
| КПД | % | 0,97 | |
| Масса | кг | 930 | |
Варианты сборки редукторов 1Ц2У

Схема условных обозначений 1Ц2У

Редуктор 1Ц2У-400
Нет отзывов об этом товаре.
Нет отзывов о данном товаре, станьте первым, оставьте свой отзыв.
Нет вопросов о данном товаре, станьте первым и задайте свой вопрос.