Редуктор 1Ц2У-450
Редуктор 1Ц2У-450
Редуктор 1Ц2У-450 является цилиндрическим двухступенчатым горизонтальным редуктором общемашиностроительного применения с межосевым расстоянием тихоходной ступени 450 мм и предназначен для изменения крутящих моментов за счёт уменьшения частоты вращения выходного вала.
Условия применения мультипликаторов:
- нагрузка постоянная и переменная,одного направления и реверсивная;
- работа длительная или с периодическими остановками;
- вращение валов в любую сторону;
- частота вращения входного вала не должна превышать 1500 об/мин;
- атмосфера типов I и II по ГОСТ 15150-69 при запыленности воздуха не более 10 мг /куб.м.;
- климатические исполнения У, Т для категории размещения 1...3 и климатические исполнения УХЛ и О для категорий размещения 4 по ГОСТ 15150-69.
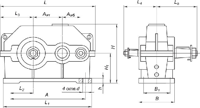
Габаритные и присоединительные размеры редуктора 1Ц2У-450:

| AWT | AWб | A | B | B1 | H | H1 | h | L | L1 | L2 | L3 | L4 | L5 | d |
| 450 | 280 | 630 | 515 | 590 | 955 | 475 | 50 | 1460 | 530 | 310 | 500 | 500 | 650 | 35 |
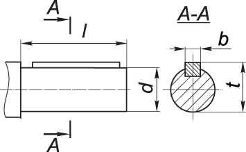
Размеры цилиндрического вала редуктора 1Ц2У-450:

| быстроходный вал | тихоходный вал | ||||||
| d | l | b | t | d | l | b | t |
| 80m6 | 170 | 22 | 85 | 160m6 | 300 | 40 | 169 |
Размеры тихоходного вала редуктора 1Ц2У-450 в виде зубчатой муфты:

| b | d | d1 | d2 | d3 | L | l | l1 | Зацепление | |
| m | z | ||||||||
| 50 | 420 | 200 | 160F8 | 230 | 440 | 15 | 70 | 10 | 40 |
Размеры выходного вала для присоединения приборов управления редуктора 1Ц2У-450:

| b | d | d1 | d2 | d3 | L |
| 5 | 180h9 | 75h9 | 55 | M8×20 | 340 |
Варианты сборки цилиндрического двухступенчатого редуктора 1Ц2У-450:

Технические характеристики редуктора 1Ц2У-450:
| Передаточное число | 8; 10; 12.5; 16; 20; 25; 31.5; 40; 50 | |
| Значения момента кручения на выходе, Нм | 40000 | |
| Нагрузка, которая действует на вал, Н | быстроходный вал | 8200 |
| тихоходный вал в форме цилиндра | 71000 | |
| тихоходный вал в форме зубчатой муфты | 95000 | |
| КПД, % | 97 | |
| Вес редуктора, кг | 1530 | |
ПРИМЕР УСЛОВНОГО ОБОЗНАЧЕНИЯ ПРИ ЗАКАЗЕ:

Редуктор 1Ц2У-450
Нет отзывов об этом товаре.
Нет отзывов о данном товаре, станьте первым, оставьте свой отзыв.
Нет вопросов о данном товаре, станьте первым и задайте свой вопрос.