Редуктор 1Ц2У-450
Редуктор 1Ц2У-450
Редуктор 1Ц2У-450 очень надежный и долговечный. Его расположение должно быть горизонтальным, а сам он имеет параллельно расположенные оси и цилиндрический тип передачи. Широко применяется во многих отраслях машиностроения и служит для изменения показателей крутящего момента и числа оборотов приводов.
Горизонтальный редуктор 1Ц2У-450 можно эксплуатировать в сухом, умеренном и тропическом влажном климате, но при условии что запыленность окружающей среды не будет превышать 10 мг/м3.
Купить редуктор 1Ц2У-450 можно у нас на сайте.
Для заказа товара, нужно всего лишь заполнить онлайн-форму или отправить заявку на наш электронный адрес. Если возникли дополнительные вопросы по данному товару, звоните на номер, указанный у нас на сайте.
Приобретая товар у нас, Вы получаете:
• высокое качество,
• цену от производителя,
• паспорт,
• гарантию на 36 месяцев.
Доставка осуществляется по всей Украине в четко оговоренный срок.
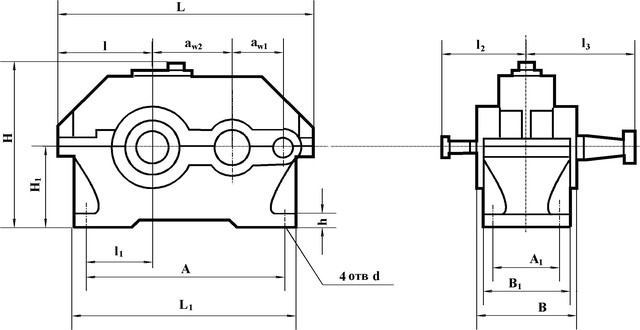
Схема габаритных и присоединительных размеров редуктора 1Ц2У-450

| Типоразмер | A wт | A wб | B | B1 | B2 | H | H1 | h | L | L1 | L2 | L3 | L4 | L5 | d |
| 1Ц2Н-450 | 450 | 280 | 630 | 515 | 590 | 955 | 475 | 60 | 1460 | 530 | 310 | 500 | 500 | 650 | 35 |
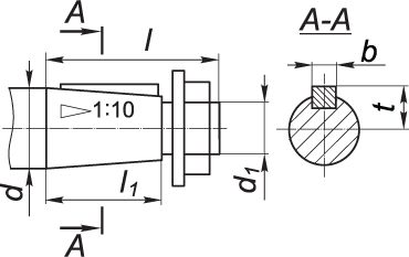
Присоединительные размеры конических валов редуктора 1Ц2У-450

| Типоразмер | быстроходный вал | тихоходный вал | ||||||
| d | l | b | t | d | l | b | t | |
| 1Ц2Н-450 | 80m6 | 170 | 22 | 85 | 160m6 | 300 | 40 | 169 |
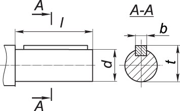
Присоединительные размеры цилиндрических валов редуктора 1Ц2У-450

| Типоразмер | b | d | d1 | d2 | d3 | L | l | l1 | Зацепление | |
| m | z | |||||||||
| 1Ц2Н-450 | 50 | 420 | 200 | 160F8 | 230 | 440 | 15 | 70 | 10 | 40 |
Присоединительные размеры в виде зубчатой полумуфты редуктора 1Ц2У-450

| Типоразмер | b | d | d1 | d2 | d3 | L |
| 1Ц2Н-450 | 5 | 180h9 | 75h9 | 55 | М8х20 | 340 |
Технические характеристики редуктора 1Ц2У-450
| Наименование технических характеристик | Ед. изм. | Типоразмер | |
| 1Ц2Н-450 | |||
| Передаточные числа | 8; 10; 12,5; 16; 20; 25; 31,5; 40; 50 | ||
| Допускаемая радиальная консольная нагрузка | на быстроходном валу | Н | 8200 |
| на т/х цилиндрическом валу | 71000 | ||
| на т/х валу в виде зубчатой муфты | 95000 | ||
| Номинальный крутящий момент на выходном валу | Н.м. | 40000 | |
| КПД | % | 0,97 | |
| Масса | кг | 1530 | |
Варианты сборки редукторов 1Ц2У

Схема условных обозначений 1Ц2У

Редуктор 1Ц2У-450
Нет отзывов об этом товаре.
Нет отзывов о данном товаре, станьте первым, оставьте свой отзыв.
Нет вопросов о данном товаре, станьте первым и задайте свой вопрос.