Редуктор 1Ц2У-500
Редуктор 1Ц2У-500
Редуктор 1Ц2У-500 является цилиндрическим двухступенчатым горизонтальным редуктором общемашиностроительного применения с межосевым расстоянием тихоходной ступени 500 мм, и предназначен для изменения крутящих моментов за счёт уменьшения частоты вращения выходного вала.
Условия применения редукторов:
- нагрузка постоянная, переменная, одного направления и реверсивная;
- работа длительная или с периодическими остановками;
- вращение валов в любую сторону;
- частота вращения входного вала не должна превышать 1500 об/мин;
- атмосфера типов I и II по ГОСТ 15150-69 при запыленности воздуха не более 10 мг/куб.м.;
- климатические исполнения У, Т для категории размещения 1...3 и климатические исполнения УХЛ и О для категорий размещения 4 по ГОСТ 15150-69.
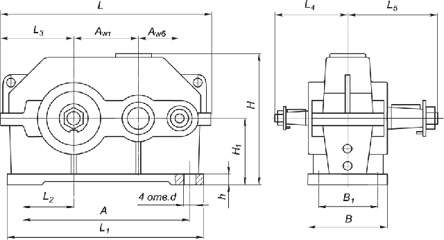
Габаритные и присоединительные размеры редуктора 1Ц2У-500:

| AWT | AWб | A | B | B1 | H | H1 | h | L | L1 | L2 | L3 | L4 | L5 | d |
| 500 | 315 | 700 | 580 | 650 | 1055 | 530 | 60 | 1650 | 615 | 360 | 565 | 530 | 690 | 42 |
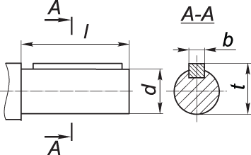
Размеры цилиндрического вала редуктора 1Ц2У-500:

| быстроходный вал | тихоходный вал | ||||||
| d | l | b | t | d | l | b | t |
| 90m6 | 170 | 25 | 95 | 180m6 | 300 | 45 | 190 |
Размеры тихоходного вала редуктора 1Ц2У-500 в виде зубчатой муфты:

| b | d | d1 | d2 | d3 | L | l | l1 | Зацепление | |
| m | z | ||||||||
| 50 | 420 | 200 | 160F8 | 230 | 470 | 15 | 70 | 10 | 40 |
Размеры выходного вала для присоединения приборов управления редуктора 1Ц2У-500:

| b | d | d1 | d2 | d3 | L |
| 5 | 190h9 | 75h9 | 55 | M8×20 | 360 |
Варианты сборки цилиндрического двухступенчатого редуктора 1Ц2У-500:

Технические характеристики редуктора 1Ц2У-500:
| Передаточное число | 8; 10; 12.5; 16; 20; 25; 31.5; 40; 50 | |
| Значения момента кручения на выходе, Нм | 56000 | |
| Нагрузка, которая действует на вал, Н | быстроходный вал | 10000 |
| тихоходный вал в форме цилиндра | 100000 | |
| тихоходный вал в форме зубчатой муфты | 140000 | |
| КПД, % | 97 | |
| Вес редуктора, кг | 2090 | |
ПРИМЕР УСЛОВНОГО ОБОЗНАЧЕНИЯ ПРИ ЗАКАЗЕ:

Редуктор 1Ц2У-500
Нет отзывов об этом товаре.
Нет отзывов о данном товаре, станьте первым, оставьте свой отзыв.
Нет вопросов о данном товаре, станьте первым и задайте свой вопрос.