Редуктор 1Ц2У-500
Редуктор 1Ц2У-500
Горизонтальный двухступенчатый редуктор 1Ц2У-500 имеет межосевое расстояние 500 мм. В конструкции используется цилиндрический тип передачи с параллельно расположенными осями. Благодаря своей надежной конструкции и долговечности, его применяют во многих направлениях машиностроительных отраслей.
Двухступенчатый горизонтальный редуктор 1Ц2У-500 имеет ряд условий к применению:
• вращение валов в любом из направлений,
• максимальная подаваемая скорость на входной вал 1800 об/мин,
• работа до 24 часов без остановок или с паузами при разных типах нагрузок,
• запыленность рабочей среды не более 10 мг/м3.
Купить редуктор 1Ц2У-500 можно у нас на сайте.
Для заказа товара, нужно всего лишь заполнить онлайн-форму или отправить заявку на наш электронный адрес. Если возникли дополнительные вопросы по данному товару, звоните на номер, указанный у нас на сайте.
Приобретая товар у нас, Вы получаете: высокое качество, цену от производителя, паспорт, гарантию на 36 месяцев.
Доставка осуществляется по всей Украине в четко оговоренный срок.
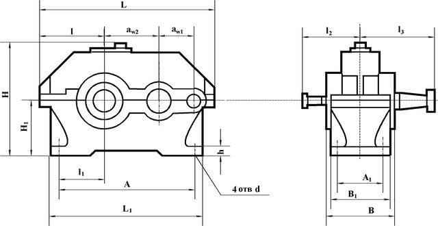
Схема габаритных и присоединительных размеров редуктора 1Ц2У-500

| Типоразмер | A wт | A wб | B | B1 | B2 | H | H1 | h | L | L1 | L2 | L3 | L4 | L5 | d |
| 1Ц2Н-500 | 500 | 315 | 700 | 580 | 650 | 1055 | 530 | 60 | 165 | 615 | 360 | 565 | 530 | 690 | 42 |
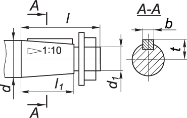
Присоединительные размеры конических валов редуктора 1Ц2У-500

| Типоразмер | быстроходный вал | тихоходный вал | ||||||
| d | l | b | t | d | l | b | t | |
| 1Ц2Н-500 | 90m6 | 170 | 25 | 95 | 180m6 | 300 | 45 | 190 |
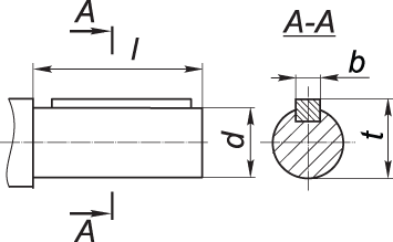
Присоединительные размеры цилиндрических валов редуктора 1Ц2У-500

| Типоразмер | b | d | d1 | d2 | d3 | L | l | l1 | Зацепление | |
| m | z | |||||||||
| 1Ц2Н-500 | 50 | 420 | 200 | 160F8 | 230 | 470 | 15 | 70 | 10 | 40 |
Присоединительные размеры в виде зубчатой полумуфты редуктора 1Ц2У-500

| Типоразмер | b | d | d1 | d2 | d3 | L |
| 1Ц2Н-500 | 5 | 190h9 | 75h9 | 55 | М8х20 | 360 |
Технические характеристики редуктора 1Ц2У-500
| Наименование технических характеристик | Ед. изм. | Типоразмер | |
| 1Ц2Н-500 | |||
| Передаточные числа | 8; 10; 12,5; 16; 20; 25; 31,5; 40; 50 | ||
| Допускаемая радиальная консольная нагрузка | на быстроходном валу | Н | 10000 |
| на т/х цилиндрическом валу | 100000 | ||
| на т/х валу в виде зубчатой муфты | 100000 | ||
| Номинальный крутящий момент на выходном валу | Н.м. | 56000 | |
| КПД | % | 0,97 | |
| Масса | кг | 2090 | |
Варианты сборки редукторов 1Ц2У

Схема условных обозначений 1Ц2У

Редуктор 1Ц2У-500
Нет отзывов об этом товаре.
Нет отзывов о данном товаре, станьте первым, оставьте свой отзыв.
Нет вопросов о данном товаре, станьте первым и задайте свой вопрос.