Редуктор 1Ц3У-160
Редуктор 1Ц3У-160
Редуктор 1Ц3У-160 зубчатый цилиндрический трехступенчатый узкий горизонтальный общего назначения служит для увеличения крутящих моментов и уменьшения частоты вращения. Редуктор применяется в макроклиматических районах с умеренным климатом (исполнение У), сухим и влажным тропическим климатом (исполнение Т), категорий размещения 1, 2, 3, 4 (работа на открытом воздухе под навесом, в закрытых помещениях и помещениях с регулируемым климатом).
Преимущества работы с нами
1. Максимально быстрая отгрузка – всегда в оговоренный срок.
2. Опытные специалисты.
3. Товар отличного качества.
4. Гарантия на каждую покупку.
5. Выгодные цены.
6. Отправим заказ любым перевозчиком, по Харькову доставим собственным транспортом.

Размеры редуктора 1Ц3У-160
| Передаточное отношение | 16; 20; 25; 31,5; 40; 45; 50; 56; 63; 80; 100; 125; 160; 200 | |
| Нагрузка на вал, Н | на быстроходный вал | 630 |
| на тихоходный вал | 9000 | |
| Мкр на тихоходном валу, Н.м | 1250 | |
| КПД | 0,96 | |
| Масса редуктора 1Ц3У-160, кг | 64(110) | |
Размеры редуктора 1Ц3У-160 с зубчатой передачей и тремя ступенями
| Aw т | Aw п | Aw б | A | A 1 | B | B 1 | H | H 1 | h | L | L 1 | L 2 | L 3 | L 4 | L 5 | d |
| 160 | 100 | 80 | 475 | 140 | 206 | 195 | 345 | 170 | 32 | 630 | 530 | 135 | 195 | 160 | 224 | 24 |

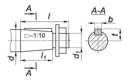
Габариты валов цилиндрического трехступенчатого горизонтального редуктора 1Ц3У-160, которые производятся в виде конуса
| Вал на входе | Вал на выходе | ||||||||||
| d | d 1 | l | l 1 | b | t | d | d 1 | l | l 1 | b | t |
| 20 | М12х1,25 | 50 | 36 | 4 | 10,6 | 55 | М36х3,0 | 110 | 82 | 14 | 28,95 |

Габариты валов цилиндрического трехступенчатого горизонтального редуктора 1Ц3У-160, которые производятся в виде цилиндра
| Вал на входе | Вал на выходе | ||||||
| d | l | b | t | d | l | b | t |
| 18k6 | 36 | 6 | 20,5 | 50m6 | 105 | 14 | 53,5 |

Размеры выходного вала цилиндрического редуктора 1Ц3У-160, который выполнен в виде полумуфты:
| b | d | d 1 | d 2 | d 3 | L | l | l 1 | Зацепление | |
| m | z | ||||||||
| 20 | 168 | 90 | 72F8 | 95 | 170 | 9 | 38 | 4 | 40 |
ВАРИАНТЫ СБОРКИ РЕДУКТОРА

Редуктор 1Ц3У-160
Нет отзывов об этом товаре.
Нет отзывов о данном товаре, станьте первым, оставьте свой отзыв.
Нет вопросов о данном товаре, станьте первым и задайте свой вопрос.