Редуктор 1Ц3У-200
Редуктор 1Ц3У-200
Редукторы цилиндрические трехступенчатые узкие горизонтальные общемашиностроительного применения типа 1Ц3У-200, предназначены для увеличения крутящего момента и уменьшения частоты вращения.
Условия применения редуктора 1Ц3У-200
- нагрузка постоянная и переменная, одного направления и реверсивная;
- работа постоянная или с периодическими остановками;
- вращение валов в любую сторону;
- частота вращения входного вала не должна превышать 1800 об/мин;
- атмосфера типов I и II по ГОСТ 15150-69 при запыленности воздуха не более 10 мг/м3;
- климатические исполнения У, Т (для категорий размещения 1...3) и климатические исполнения УХЛ и О (для категории размещения 4) по ГОСТ 1515069.
Преимущества работы с нами
1. Максимально быстрая отгрузка – всегда в оговоренный срок.
2. Опытные специалисты.
3. Товар отличного качества.
4. Гарантия на каждую покупку.
5. Выгодные цены.
6. Отправим заказ любым перевозчиком, по Харькову доставим собственным транспортом.

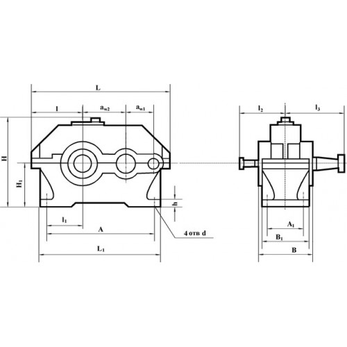
Размеры редуктора 1Ц3У-200
| Передаточные числа | 16; 20; 25; 31,5; 40; 45; 50; 56; 63; 80; 100; 125; 160; 200 | |
| Нагрузка на вал, Н | на быстроходный вал | 1250 |
| на тихоходный вал | 12500 | |
| Мкр на тихоходном валу, Н.м | 2500 | |
| КПД | 0,96 | |
| Вес, кг | 190 | |
Размеры редуктора 1Ц3У-200 с зубчатой передачей и тремя ступенями
| Aw т | Aw п | Aw б | A | A 1 | B | B 1 | H | H 1 | h | L | L 1 | L 2 | L 3 | L 4 | L 5 | d |
| 200 | 125 | 100 | 580 | 165 | 243 | 230 | 425 | 212 | 36 | 775 | 650 | 165 | 236 | 190 | 280 | 24 |

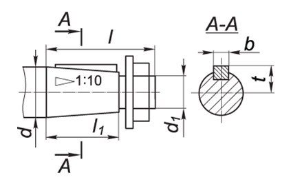
Размеры валов редуктора 1Ц3У-200, которые производятся в виде конуса
| Вал на входе | Вал на выходе | ||||||||||
| d | d 1 | l | l 1 | b | t | d | d 1 | l | l 1 | b | t |
| 25 | М16х1,5 | 60 | 42 | 5 | 13,45 | 70 | М48х3,0 | 140 | 105 | 18 | 36,38 |

Размеры валов редуктора 1Ц3У-200, которые изготавливаются в виде цилиндра
| Вал на входе | Вал на выходе | ||||||
| d | l | b | t | d | l | b | t |
| 22k6 | 42 | 6 | 24,5 | 65m6 | 105 | 18 | 69 |

Габариты выходного вала цилиндрического редуктора 1Ц3У-200, который выполнен в виде полумуфты:
| b | d | d 1 | d 2 | d 3 | L | l | l 1 | Зацепление | |
| m | z | ||||||||
| 25 | 210 | 100 | 80F8 | 105 | 197 | 10 | 50 | 5 | 40 |
ВАРИАНТЫ СБОРКИ РЕДУКТОРА

УСЛОВНОЕ ОБОЗНАЧЕНИЕ РЕДУКТОРА 1Ц3У-200

Редуктор 1Ц3У-200
Нет отзывов об этом товаре.
Нет отзывов о данном товаре, станьте первым, оставьте свой отзыв.
Нет вопросов о данном товаре, станьте первым и задайте свой вопрос.