Редуктор КЦ1-200
Редуктор КЦ1 - 200
Редуктор КЦ1-200 – это коническо-цилиндрическое устройство, которое имеет горизонтальное исполнение. Он состоит из одной пары конических колес, имеющих спиральные зубья, и одной пары цилиндрических колес с косыми зубьями. Первая пара – это быстроходная ступень, а вторая – тихоходная.
Редукторы разработаны для использования в различных климатических районах с категорией размещения 2 по ГОСТ 15150. Механизм работает с постоянной, переменной, а так же с реверсивной нагрузкой. Так же он работает с переменными нагрузками или в режиме 24 часа, а валы, могут, вращается в разные стороны.
Компания «ПромПривод» является стабильным и надежным поставщиком различных механизмов, которая занимает ведущие места на рынке.
Покупая устройства в компании «ПромПривод» вы получаете ряд преимуществ:
• Отправка товара осуществляется в оговоренные сроки.
• Вы получаете гарантию от производителя на 36 месяцев.
• Квалифицированный персонал.
• Каждое изделие перед отправкой проходит ряд проверок, что гарантирует их высокое качество.
• Доставка происходит по всей Украине.
Редуктор КЦ1-200: габаритные и присоединительные размеры

Технические характеристики: редуктор КЦ1-200
| Передаточное число | Момент кручения на выходе, Нм | Скорость вращения входного вала, об/мин | Нагрузка на валах, Н | Вес устройства, кг | |
| быстроходный | тихоходный | ||||
| 6.3 | 560 | 1500 | 600 | 5150 | 185 |
| 10 | 900 | 5600 | |||
| 14 | 900 | ||||
| 20 | 1200 | 6150 | |||
| 28 | 560 | 1400 | 6500 | ||
| AWT | A | A1 | B | H | H1 | h | h1 | L | L1 | L2 | L3 | L4 | d | |
| 200 | 375 | 250 | 300 | 435 | 225 | 20 | - | 900 | 480 | 85 | 460 | 247 | 17 | 4 |
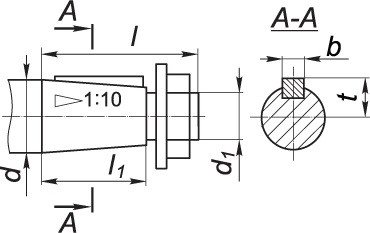
Размеры быстроходного (конического) вала редуктора КЦ1-200:

| d | d1 | l | l1 | b | t |
| 40 | М24×2 | 110 | 82 | 10 | 20.9 |
Размеры тихоходного (цилиндрического) вала редуктора КЦ1-200:

| d2 | l2 | b1 | t1 |
| 45 | 80 | 14 | 48.5 |
Размеры тихоходного вала (зубчатой полумуфты) редуктора КЦ1-200:

| b | d | d1 | L | l | l1 | Зацепление | |
| m | z | ||||||
| 20 | 126 | 80 | 219 | 14 | 45 | 3 | 40 |
Редуктор КЦ1-200 имеет 3 варианта сборки, которые показаны ниже:

Редуктор КЦ1-200 условное обозначение:

Важно. Исполнение конца тихоходного вала может быть цилиндрическим - Ц или в виде части зубчатой муфты - М.
Редуктор КЦ1-200
Нет отзывов об этом товаре.
Нет отзывов о данном товаре, станьте первым, оставьте свой отзыв.
Нет вопросов о данном товаре, станьте первым и задайте свой вопрос.