Редуктор КЦ1-250
Редуктор КЦ1-250
Редуктор КЦ1-250 используют для преобразования крутящего момента и частоты вращения вала. Такие устройства широко применяются в крановом оборудовании.
Горизонтальный редуктор КЦ1-250 разработан для продолжительной работы. Предусмотрено вращение валов как вперед, так и назад. Так же механизм работает с постоянной, переменной, а так же с реверсивной нагрузкой. Номинальный крутящий момент на выходном валу составляет 520 Н.м. Главная особенность конструкции данного редуктора – эта его быстроходная степень. Благодаря этому механизм обладает небольшими габаритами и высоким коэффициентом полезного действия.
Компания «ПромПривод» является стабильным и надежным поставщиком различных механизмов, которая занимает ведущие места на рынке.
Покупая устройства в компании «ПромПривод» вы получаете ряд преимуществ:
• Отправка товара осуществляется в оговоренные сроки.
• Вы получаете гарантию от производителя на 36 месяцев.
• Квалифицированный персонал.
• Каждое изделие перед отправкой проходит ряд проверок, что гарантирует их высокое качество.
• Доставка происходит по всей Украине.
Редуктор КЦ1-250: габаритные и присоединительные размеры

Технические характеристики: редуктор КЦ1-250:
| Передаточное число | Момент кручения на выходе, Нм | Скорость вращения входного вала, об/мин | Нагрузка на валах, Н | Вес устройства, кг | |
| быстроходный | тихоходный | ||||
| 6.3 | 1150 | 1500 | 1080 | 8400 | 320 |
| 10 | 1400 | 950 | 9350 | ||
| 14 | 800 | ||||
| 20 | 1150 | 600 | 8400 | ||
| 28 | 1000 | 480 | 7900 | ||
| AWT | A | A1 | B | H | H1 | h | h1 | L | L1 | L2 | L3 | L4 | d | n |
| 250 | 480 | 325 | 375 | 515 | 265 | 25 | - | 1170 | 600 | 120 | 625 | 320 | 22 | 4 |
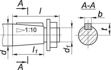
Размеры быстроходного (конического) вала редуктора КЦ1-250:

| d | d1 | l | l1 | b | t |
| 50 | М36×3 | 110 | 82 | 12 | 26 |
Размеры тихоходного (цилиндрического) вала редуктора КЦ1-250:

| d2 | l2 | b1 | t1 |
| 55 | 110 | 16 | 59 |
Размеры тихоходного вала (зубчатой полумуфты) редуктора КЦ1-250:

| b | d | d1 | L | l | l1 | Зацепление | |
| m | z | ||||||
| 25 | 150 | 90 | 267 | 14 | 48 | 3 | 48 |
Редуктор КЦ1-250 имеет 3 варианта сборки, которые показаны ниже:

Редуктор КЦ1-250 условное обозначение:

Важно. Исполнение конца тихоходного вала может быть цилиндрическим - Ц или в виде части зубчатой муфты - М.
Редуктор КЦ1-250
Нет отзывов об этом товаре.
Нет отзывов о данном товаре, станьте первым, оставьте свой отзыв.
Нет вопросов о данном товаре, станьте первым и задайте свой вопрос.