Редуктор КЦ1-400
Редуктор КЦ1-400
Данные редукторы относятся к редукторам коническо-цилиндрического двухступенчатого типа, он необходим для применения в изделиях подъемно-транспортного оборудования, а также для различных ремонтно-эксплуатационных нужд уже действующего оборудования. Редуктор КЦ1-400 призван увеличивать крутящий момент, а частоту вращения различных машин или механизмов при этом уменьшать
Механизм КЦ1-400 предполагает вращение валов в обе стороны, частота вращения входного вала при этом не должна превышать 1500 об/мин, а окружная скорость зубчатых передач должна быть не больше 12 м/с.
Редуктор КЦ1-400 рассчитан на то, что работать он будет непрерывно, нагрузка может быть при этом как постоянной, так и переменной, одного направления и реверсивной. Работать редуктор типа КЦ1-400 может постоянно, но с периодическими остановками.
Климатические условия для работы редуктора КЦ1-400 могут быть достаточно разнообразными, это может быть район с умеренным климатом, с тропическим (сухой и влажный).
Отметим, что значения допускаемого крутящего момента на выходном валу во всех таблицах приведены при определенных условиях - спокойная непрерывная работа редуктора КЦ1-400 в течение восьми часов в сутки. Если же условия работы изменены, необходимо ввести поправочный коэффициент. Если вести работу с другими числами оборотов входного вала, для того чтобы найти все значения параметров, необходимо использовать метод интерполяции.
Технические характеристики: редуктор КЦ1-400:
| Передаточное число | Момент кручения на выходе, Нм | Скорость вращения входного вала, об/мин | Нагрузка на валах, Н | Вес устройства, кг | |
| быстроходный | тихоходный | ||||
| 6.3 | 3300 | 1500 | 1000 | 21000 | 980 |
| 10 | 5000 | 18000 | |||
| 14 | 2200 | ||||
| 20 | 4500 | 3300 | 20000 | ||
| 28 | 3800 | 4000 | 21200 | ||
Редуктор КЦ1-400: габаритные и присоединительные размеры

| AWT | A | A1 | B | H | H1 | h | h1 | L | L1 | L2 | L3 | L4 | d | n |
| 400 | 810 | 450 | 526 | 705 | 320 | 35 | 95 | 1705 | 930 | 212 | 848 | 452 | 26 | 8 |
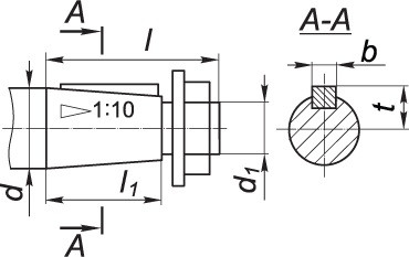
Размеры быстроходного (конического) вала редуктора КЦ1-400:

| d | d1 | l | l1 | b | t |
| 60 | М42×3 | 140 | 105 | 16 | 31.4 |
Размеры тихоходного (цилиндрического) вала редуктора КЦ1-400:

| d2 | l2 | b1 | t1 |
| 90 | 170 | 25 | 95 |
Размеры тихоходного вала (зубчатой полумуфты) редуктора КЦ1-400:

| b | d | d1 | L | l | l1 | Зацепление | |
| m | z | ||||||
| 35 | 232 | 140 | 370 | 14 | 60 | 4 | 56 |
Редуктор КЦ1-400 имеет 3 варианта сборки, которые показаны ниже:

Редуктор КЦ1-400 условное обозначение:
КЦ1-400-28-41Ц-У3, где:
КЦ1 - тип редуктора;
400 - межосевое расстояние, мм;
28 - номинальное передаточное число;
41 - вариант сборки;
Ц - цилиндрический конец выходного вала;
У3 - климатическое исполнение и категория размещения по ГОСТ 15150-69
Важно. Исполнение конца тихоходного вала может быть цилиндрическим - Ц или в виде части зубчатой муфты - М.
Редуктор КЦ1-400
Нет отзывов об этом товаре.
Нет отзывов о данном товаре, станьте первым, оставьте свой отзыв.
Нет вопросов о данном товаре, станьте первым и задайте свой вопрос.