Редуктор КЦ1-500
Редуктор КЦ1-500
Редуктор типа КЦ1-500 – это двухступенчатое устройство, которое состоит из одной пары конических колес, имеющих спиральные зубья, и одной пары цилиндрических колес с косыми зубьями, которые находятся в едином чугунном корпусе. Основная сфера применения – это подъемно – транспортное оборудование.
Такие редукторы являются надежными устройствами, которые обладают всеми необходимыми качествами. Он стойкий к различным внешним факторам, поэтому редуктор как ценится и имеет большую популярность. Данные редукторы – это необходимое приобретение для любого завода.
Редукторы отлично работают, как в режиме 24 часа, так и с периодическими остановками. Нагрузка может быть одного направления или реверсивной. Механизмы применимы в эксплуатацию в различных климатических условиях. Так же данные устройства имеют высокий уровень КПД.
Покупая редукторы в компании «ПромПривод», вы всегда получаете товар высочайшего качества. Опытные специалисты, помогут вам подобрать нужное вам устройство. Так же редукторы проходят дополнительные тесты и проверки перед отправкой. Компания предоставляет гарантию от производителя на 36 месяцев. Отправка происходит по всей Украине.
Редуктор КЦ1-500: габаритные и присоединительные размеры

Технические характеристики: редуктор КЦ1-500:
| Передаточное число | Момент кручения на выходе, Нм | Скорость вращения входного вала, об/мин | Нагрузка на валах, Н | Вес устройства, кг | |
| быстроходный | тихоходный | ||||
| 6.3 | 5700 | 1500 | 8000 | 30000 | 1740 |
| 10 | 9000 | 25000 | |||
| 14 | 10000 | ||||
| 20 | 8250 | 13200 | 28000 | ||
| 28 | 7100 | 155000 | 30000 | ||
| AWT | A | A1 | B | H | H1 | h | h1</p> | L | L1 | L2 | L3 | L4 | d | n |
| 500 | 990 | 550 | 630 | 877 | 400 | 40 | 100 | 2085 | 1160 | 250 | 1030 | 544 | 33 | 8 |
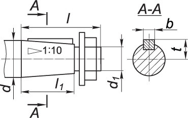
Размеры быстроходного (конического) вала редуктора КЦ1-500:

| d | d1 | l | l1 | b | t |
| 90 | М64×4 | 170 | 130 | 22 | 46.8 |
Размеры тихоходного (цилиндрического) вала редуктора КЦ1-500:

| d2 | l2 | b1 | t1 |
| 110 | 210 | 28 | 116 |
Размеры тихоходного вала (зубчатой полумуфты) редуктора КЦ1-500:

| b | d | d1 | L | l | l1 | Зацепление | |
| m | z | ||||||
| 35 | 232 | 140 | 422 | 14 | 60 | 4 | 56 |
Редуктор КЦ1-500 имеет 3 варианта сборки, которые показаны ниже:

Редуктор КЦ1-500 условное обозначение:

Важно. Исполнение конца тихоходного вала может быть цилиндрическим - Ц или в виде части зубчатой муфты - М.
Редуктор КЦ1-500
Нет отзывов об этом товаре.
Нет отзывов о данном товаре, станьте первым, оставьте свой отзыв.
Нет вопросов о данном товаре, станьте первым и задайте свой вопрос.