Редуктор КЦ2-1000
Редуктор КЦ2-1000
Редукторы КЦ2-1000 являются незаменимыми помощниками во многих областях производства. Работа механизма заключается в варьировании частоты вращения и крутящего момента.
Валы механизма вращаются в любую сторону со скоростью не более 1500 оборотов в минуту. Такие редукторы прекрасно себя чувствуют в практически любых климатических условиях. Возможна работа, как с остановками, так и в режиме 24 часа.
Все редукторы подвергаются проверкам и тестам, что гарантирует высокое качество и долговечность.
Сотрудничая с фирмой «ПромПривод», вы получаете ряд преимуществ:
• Отличное качество продукции
• С каждым устройством идет паспорт и предоставляется гарантия на 3 года
• Отправка товара идет в заранее условленные сроки.
• Доставка по всей Украине.
Габаритные и присоединительные размеры редуктора КЦ2-1000:

Технические характеристики редуктора КЦ2-1000:
| Передаточное число | Момент кручения на выходе, Нм в зависимости от скорости вращения вала на входе, об /мин | Нагрузка, действующая на валу, Н | Вес устройства, кг | |||
| 600 | 750 | 1500 | быстроходный | тихоходный | ||
| 28 | 16500 | 15000 | 14500 | 1000 | 33500 | 2658 |
| 45 | 20000 | 19000 | 18500 | 1700 | 28000 | |
| 71 | 16500 | 3300 | 33500 | |||
| 112 | 15500 | 4100 | 35500 | |||
| 180 | 4500 | |||||
| AWT | AWП | A | A1 | B | H | H1 | h | h1 | L | L1 | L2 | L3 | L4 | d | n |
| 600 | 400 | 1530 | 600 | 690 | 956 | 400 | 40 | 200 | 2482 | 1700 | 165 | 848 | 615 | 33 | 10 |
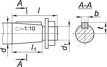
Размеры быстроходного (конического) вала редуктора КЦ2-1000:

| d | d1 | l | l1 | b | t |
| 60 | М42×3 | 140 | 105 | 16 | 31.4 |
Размеры тихоходного (цилиндрического) вала редуктора КЦ2-1000:

| d2 | l2 | b1 | t1 |
| 130 | 250 | 32 | 137 |
Размеры тихоходного вала (зубчатой полумуфты) редуктора КЦ2-1000:

| b | d | d1 | L | l | l1 | Зацепление | |
| m | z | ||||||
| 35 | 288 | 180 | 481 | 20 | 75 | 6 | 46 |
Редуктор КЦ2-1000 имеет 3 варианта сборки, которые показаны ниже:

Условное обозначение при заказе редуктора типа КЦ2-1000:

Отметим, что исполнение конца тихоходного вала может быть цилиндрическим - Ц или в виде части зубчатой муфты - М.
Редуктор КЦ2-1000
Нет отзывов об этом товаре.
Нет отзывов о данном товаре, станьте первым, оставьте свой отзыв.
Нет вопросов о данном товаре, станьте первым и задайте свой вопрос.