Редуктор КЦ2-1300
Редуктор КЦ2-1300
Коническо-цилиндрический редуктор КЦ2-1300 разработан для изменения крутящего момента и частоты вращения. Часто используют в машиностроении и в ремонтно-эксплуатационных машинах.
Нагрузка, с которой работает редуктор, может быть как постоянной, переменной, так и реверсивной. Возможна работа, как с остановками, так и в режиме 24 часа. Валы устройства могут вращаться как вперед, так и назад с окружной скоростью 12 м/с.
Такие устройства пользуются большой популярностью и весьма востребованы во многих областях производства. Редукторы подвергаются проверкам перед отправкой.
Сотрудничая с фирмой «ПромПривод», вы получаете ряд преимуществ:
• Отличное качество продукции
• С каждым устройством идет паспорт и предоставляется гарантия на 3 года
• Отправка товара идет в заранее условленные сроки.
• Доставка по всей Украине.
Габаритные и присоединительные размеры редуктора КЦ2-1300:

Технические характеристики редуктора КЦ2-1300:
| Передаточное число | Момент кручения на выходе, Нм в зависимости от скорости вращения вала на входе, об /мин | Нагрузка, действующая на валу, Н | Вес устройства, кг | |||
| 600 | 750 | 1500 | быстроходный | тихоходный | ||
| 28 | 28000 | 25800 | 24300 | 8000 | 73000 | 5110 |
| 45 | 38700 | 37500 | 77500 | |||
| 71 | 38700 | 37500 | 12200 | 92500 | ||
| 112 | 37500 | 14500 | ||||
| 180 | 16000 | |||||
| AWT | AWП | A | A1 | B | H | H1 | h | h1 | L | L1 | L2 | L3 | L4 | d | n |
| 800 | 500 | 2020 | 740 | 850 | 1282 | 530 | 50 | 240 | 3178 | 2200 | 220 | 1030 | 790 | 39 | 10 |
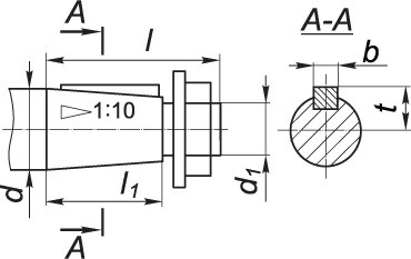
Размеры быстроходного (конического) вала редуктора КЦ2-1300:

| d | d1 | l | l1 | b | t |
| 90 | М64×4 | 170 | 130 | 22 | 46.8 |
Размеры тихоходного (цилиндрического) вала редуктора КЦ2-1300:

| d2 | l2 | b1 | t1 |
| 190 | 350 | 45 | 200 |
Размеры тихоходного вала (зубчатой полумуфты) редуктора КЦ2-1300:

| b | d | d1 | L | l | l1 | Зацепление | |
| m | z | ||||||
| 40 | 348 | 215 | 605 | 25 | 85 | 6 | 56 |
Редуктор КЦ2-1300 имеет 3 варианта сборки, которые показаны ниже:

Условное обозначение при заказе редуктора типа КЦ2-1300:

Отметим, что исполнение конца тихоходного вала может быть цилиндрическим - Ц или в виде части зубчатой муфты - М.
Редуктор КЦ2-1300
Нет отзывов об этом товаре.
Нет отзывов о данном товаре, станьте первым, оставьте свой отзыв.
Нет вопросов о данном товаре, станьте первым и задайте свой вопрос.