Редуктор КЦ2-500
Редуктор КЦ2-500
Редукторы КЦ2-500 относятся к коническо-цилиндрическим трехступенчатым устройствам. Основная область применения таких редукторов - это подъемно-транспортное оборудование на производстве, а так же, часто эти устройства, устанавливают на ремонтно-эксплуатационные машины.
Редукторы предназначены, для работы в различных климатических условиях. Скорость вращения вала не должна превышать 1500 оборотов в минуту. Приемлемо работает как с остановками, так и с постоянной нагрузкой на протяжении суток.
Каждое устройство проходит дополнительные проверки, что исключает любой брак. Такие редукторы долго и исправно служат и имеют высокий уровень КПД.
Сотрудничая с фирмой «ПромПривод», вы получаете ряд преимуществ:
• Отличное качество продукции
• С каждым устройством идет паспорт и предоставляется гарантия на 3 года
• Отправка товара идет в заранее условленные сроки.
• Доставка по всей Украине.
Габаритные и присоединительные размеры редуктора КЦ2-500:

Технические характеристики редуктора КЦ2-500:
| Передаточное число | Момент кручения на выходе, Нм в зависимости от скорости вращения вала на входе, об /мин | Нагрузка, действующая на валу, Н | Вес устройства, кг | |||
| 600 | 750 | 1500 | быстроходный | тихоходный | ||
| 28 | 2300 | 2000 | 1900 | 600 | 7500 | 420 |
| 45 | 2300 | 900 | 8500 | |||
| 71 | 2100 | 1300 | 11500 | |||
| 112 | 2000 | 1450 | 13200 | |||
| 180 | 1500 | |||||
| AWT | AWП | A | A1 | B | H | H1 | h | h1 | L | L1 | L2 | L3 | L4 | d | n |
| 300 | 200 | 705 | 300 | 350 | 600 | 315 | 25 | - | 1300 | 830 | 90 | 460 | 327 | 22 | 6 |
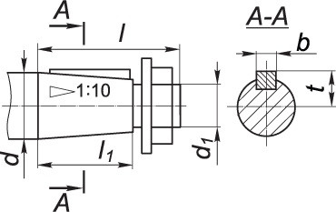
Размеры быстроходного (конического) вала редуктора КЦ2-500:

| d | d1 | l | l1 | b | t |
| 40 | М24×2 | 110 | 82 | 10 | 20.9 |
Размеры тихоходного (цилиндрического) вала редуктора КЦ2-500:

| d2 | l2 | b1 | t1 |
| 70 | 140 | 20 | 74.5 |
Размеры тихоходного вала (зубчатой полумуфты) редуктора КЦ2-500:

| b | d | d1 | L | l | l1 | Зацепление | |
| m | z | ||||||
| 25 | 174 | 110 | 270 | 14 | 55 | 3 | 56 |
Редуктор КЦ2-500 имеет 3 варианта сборки, которые показаны ниже:

Условное обозначение при заказе редуктора типа КЦ2-500:

Отметим, что исполнение конца тихоходного вала может быть цилиндрическим - Ц или в виде части зубчатой муфты - М.
Редуктор КЦ2-500
Нет отзывов об этом товаре.
Нет отзывов о данном товаре, станьте первым, оставьте свой отзыв.
Нет вопросов о данном товаре, станьте первым и задайте свой вопрос.