Редуктор КЦ2-750
Редуктор КЦ2-750
Редуктор КЦ2-750 имеют комбинированный способ передачи и его используют для изменения крутящего момента и частоты вращения вала. Часто применяют в машиностроении и других областях промышленности.
Имеет практически не ограниченный срок службы и высокий уровень КПД.
Валы устройства могут вращаться как вперед, так и назад с окружной скоростью 12 м/с. Нагрузка, с которой работает устройство, может быть как постоянной, так и переменной.
Каждое устройство проходит дополнительные проверки, что исключает любой брак.
Сотрудничая с фирмой «ПромПривод», вы получаете ряд преимуществ:
• Отличное качество продукции
• С каждым устройством идет паспорт и предоставляется гарантия на 3 года
• Отправка товара идет в заранее условленные сроки.
• Доставка по всей Украине.
Габаритные и присоединительные размеры редуктора КЦ2-750:

Технические характеристики редуктора КЦ2-750:
| Передаточное число | Момент кручения на выходе, Нм в зависимости от скорости вращения вала на входе, об /мин | Нагрузка, действующая на валу, Н | Вес устройства, кг | |||
| 600 | 750 | 1500 | быстроходный | тихоходный | ||
| 28 | 5800 | 5300 | 5000 | 1200 | 18000 | 1240 |
| 45 | 8450 | 8060 | 7750 | 10600 | ||
| 71 | 6980 | 7000 | 2000 | 15500 | ||
| 112 | 6750 | 6700 | 2300 | 16000 | ||
| 180 | 2500 | |||||
| AWT | AWП | A | A1 | B | H | H1 | h | h1 | L | L1 | L2 | L3 | L4 | d | n |
| 450 | 300 | 1120 | 470 | 550 | 765 | 335 | 35 | 130 | 1883 | 1260 | 120 | 625 | 464 | 33 | 10 |
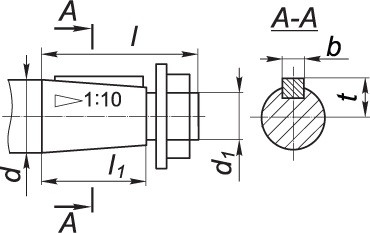
Размеры быстроходного (конического) вала редуктора КЦ2-750:

| d | d1 | l | l1 | b | t |
| 50 | М36×3 | 110 | 82 | 12 | 26 |
Размеры тихоходного (цилиндрического) вала редуктора КЦ2-750:

| d2 | l2 | b1 | t1 |
| 90 | 170 | 25 | 95 |
Размеры тихоходного вала (зубчатой полумуфты) редуктора КЦ2-750:

| b | d | d1 | L | l | l1 | Зацепление | |
| m | z | ||||||
| 35 | 232 | 140 | 382 | 14 | 60 | 4 | 56 |
Редуктор КЦ2-750 имеет 3 варианта сборки, которые показаны ниже:

Условное обозначение редуктора типа КЦ2-750:

Отметим, что исполнение конца тихоходного вала может быть цилиндрическим - Ц или в виде части зубчатой муфты - М.
Редуктор КЦ2-750
Нет отзывов об этом товаре.
Нет отзывов о данном товаре, станьте первым, оставьте свой отзыв.
Нет вопросов о данном товаре, станьте первым и задайте свой вопрос.