Редуктор ЦТНД-400-100
Цилиндрический редуктор ЦТНД-400-100
Цилиндрический редуктор ЦТНД-400-100 предназначен для изменения параметров привода и в основном применяется в шахтном оборудовании. Конструкционно состоит из чугунного корпуса и двухступенчатого механизма в котором используется зацепление Новикова.
Валы редуктора имеют свойство вращаться в любом направлении. Работает, как в длительном, так и в повторно-кратковременном режиме. Не рекомендуют применять его в агрессивной и сильнозапыленной среде. Полная масса редуктора составляет 911 кг.
Компания производитель «Промпривод» предлагает Вам купить редуктор ЦТНД-400-100 по самой выгодной цене. Мы производим только качественный товар, что подтверждается гарантией на 12 месяцев. К каждому редуктору прилагается оригинальный паспорт. Позвонив по указанному на сайте номеру, наши специалисты окажут Вам квалифицированную помощь и помогут подобрать нужный редуктор.
Наша компания производит доставку по всей территории Украины в максимально короткие сроки, любым удобным Вам способом.
Технические характеристики редуктора ЦТНД-400-100
| Наименование технических характеристик | Типоразмер редуктора | |
| ЦТНД-400 | ||
| Передаточные числа | 100 | |
| Допускаемая радиальная консольная нагрузка на тихоходном валу, Н | 32600 | |
| Номинальный крутящий момент на тихоходном валу, Н.м | 17000 | |
| КПД | 0,96 | |
| Масса, кг | 911 | |
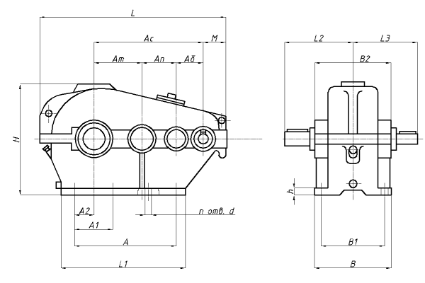
Схема габаритных и присоединительных размеров редуктора ЦТНД-400-100

| Редуктор | Aw т | Aw с | A | A 1 | B | H | H 1 | L | L 1 | L 2 | L 3 | L 4 | d | п |
| ЦТНД-400 | 400 | 810 | 720 | 340 | 430 | 820 | 425 | 1385 | 860 | 170 | 307 | 455 | 33 | 8 |
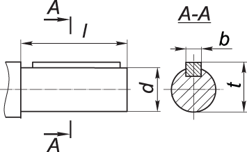
Присоединительные размеры цилиндрических валов редуктора ЦТНД-400-100

| быстроходный вал | ||||
| Редуктор | d | l | b | t |
| ЦТНД-400 | 40 | 82 | 12 | 43 |
| тихоходный вал | ||||
| Редуктор | d | l | b | t |
| ЦТНД-400 | 140 | 200 | 36 | 148 |
Варианты сборки редуктора ЦТНД-400-100

Схема условных обозначений редуктора ЦТНД-400-100

Редуктор ЦТНД-400-100
Нет отзывов об этом товаре.
Нет отзывов о данном товаре, станьте первым, оставьте свой отзыв.
Нет вопросов о данном товаре, станьте первым и задайте свой вопрос.