Редуктор В-100
Крановые редукторы В-100
Крановые редукторы В-100 применяют в механизмах крановых установок, рельсовых тележек и т.д. Данные устройства могут крепиться к установке под углом 900 или под наклоном.
Особенностью данного вида редукторов является их способность работать в повторно-кратковременном режиме. Другими словами они не сломаются при частых включениях/отключениях.
Редукторы В-100 имеют межосевое расстояние 100 мм и предназначены для уменьшения скорости вращения валов и увеличения момента вращения.
Не знаете где найти качественные редукторы, чтобы вас не обманули по цене? Обращайтесь в компанию «Промпривод» и вы не пожалеете! У нас имеется огромный выбор редукторов и крепежных изделий. Мы все изготавливаем сами, поэтому на каждый товар имеется гарантия и сертификат качества или паспорт.
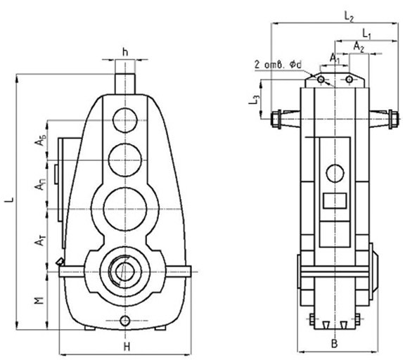
Характеристики редуктора В-100

| Типоразмер редуктора | АБ | АП | АТ | А1 | А2 | В | Н | h | L | L1 | L2 | L3 | M | d |
| мм | ||||||||||||||
| В-100 | 80 | 100 | 100 | 60 | 55 | 170 | 254 | 40 | 470 | 150 | 300 | 71,5 | 100 | 11 |
Технические характеристики редуктора В-100
| Тип | Номинальное передаточное число | Номинальный крутящий момент на выходном валу при частоте вращения входного вала 1000 об/мин, Нм | КПД | Масса | |
| мин | макс | ||||
| В-100 | 10;12.5 | 172 | 438 | 0,94 | 52 |
| 16 | 188 | 438 | |||
| 20;25 | 188 | 500 | |||
| 31.5;40 | 203 | 563 | |||
Варианты сборки редуктора В-100

При заказе редуктора В-100 обратите внимания на его условное обозначение

Редуктор В-100
Нет отзывов об этом товаре.
Нет отзывов о данном товаре, станьте первым, оставьте свой отзыв.
Нет вопросов о данном товаре, станьте первым и задайте свой вопрос.