Редуктор В-125
Редуктор В-125
Редуктор В-125 - это цилиндрический трехступенчатый вертикальный редуктор специального назначения.
Редуктор типа В успешно применяется в приводах таких механизмов грузоподъемного оборудования, как балки крановые и тележки крановые. Может быть исполнен с фланцем.
Преимущества работы с нами
1. Максимально быстрая отгрузка – всегда в оговоренный срок.
2. Опытные специалисты.
3. Товар отличного качества.
4. Гарантия на каждую покупку.
5. Выгодные цены.
6. Отправим заказ любым перевозчиком, по Харькову доставим собственным транспортом.
Условия применения редуктора В-125
- вращение валов в обе стороны;
- температура внешней среды от -400С до +500С;
- неагрессивная среда, умеренная запыленность и влажность;
- частота вращения быстроходного вала не должна превышать 1000 об/мин;
- атмосфера типов I и II по ГОСТ 15150-69 при запыленности воздуха не более 10 мг/м3;
- эксплуатация в макроклиматических районах с умеренным (У), сухим и влажным тропическим (Т) климатом, категория размещения 2 по ГОСТ15150-69.

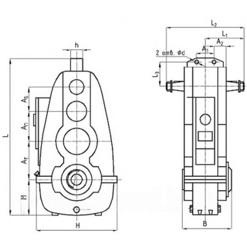
Характеристики редуктора В-125
| Типоразмер редуктора | АБ | АП | АТ | А1 | А2 | В | Н | h | L | L1 | L2 | L3 | M | d |
| мм | ||||||||||||||
| В-125 | 80 | 125 | 125 | 80 | 60 | 170 | 316 | 60 | 545 | 153 | 325 | 71 | 125 | 14 |
Технические характеристики редуктора В-125
| Тип | Номинальное передаточное число | Номинальный крутящий момент на выходном валу при частоте вращения входного вала 1000 об./мин, Нм | КПД | Масса | |
| мин | макс | ||||
| В-125 | 10;12,5 | 344 | 875 | 0,94 | 79 |
| 16 | 375 | 875 | |||
| 20;25 | 375 | 1000 | |||
| 31,5;40 | 406 | 1125 | |||
| 50 | 406 | 1250 | |||
Варианты сборки редуктора В-125

При заказе редуктора В-125 обратите внимания на его условное обозначение

Редуктор В-125
Нет отзывов об этом товаре.
Нет отзывов о данном товаре, станьте первым, оставьте свой отзыв.
Нет вопросов о данном товаре, станьте первым и задайте свой вопрос.