Редуктор В-125
Редукторы вертикальные В-125
Редуктор В-125 относится к классу вертикальных цилиндрических устройств. С его помощью приводятся в движения крановые установки. Механизм находится в чугунном корпусе, чтобы защитить его от повреждений.
Согласно ГОСТ 15150 существуют требования, при выполнении которых ваш редуктор будет работать долго и качественно:
- максимальное количество оборотов, которые совершает входной вал, в минуту не должно превышать 1500;
- устройство лучше всего работает в повторно-кратковременном режиме;
- диапазон перепада температур не должен превышать от -40 до +500С;
- среда применения должна быть сухой, неагрессивной с запыленностью не более 10 мг/м3.
Компания «Промпривод» предлагает качественные редукторы по цене производителя! У нас вы сможете приобрести как готовую продукцию, так и заказать ее изготовление. Мы работаем только с лучшими материалами и специалистами, поэтому все наши устройства отличаются качеством и надежностью. Гарантия качества на оборудование - 1 год с момента приобретения. Доставка осуществляется по всей Украине сразу после внесения оплаты. Цены ниже рынка на 3-10%.
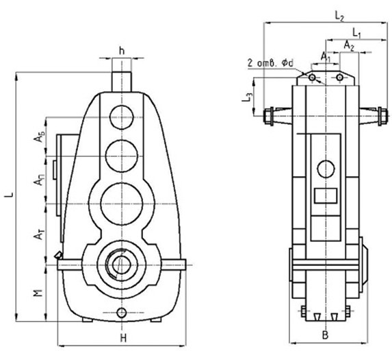
Характеристики редуктора В-125

| Типоразмер редуктора | АБ | АП | АТ | А1 | А2 | В | Н | h | L | L1 | L2 | L3 | M | d |
| мм | ||||||||||||||
| В-125 | 80 | 125 | 125 | 80 | 60 | 170 | 316 | 60 | 545 | 153 | 325 | 71 | 125 | 14 |
Технические характеристики редуктора В-125
| Тип | Номинальное передаточное число | Номинальный крутящий момент на выходном валу при частоте вращения входного вала 1000 об/мин, Нм | КПД | Масса | |
| мин | макс | ||||
| В-125 | 10;12.5 | 344 | 875 | 0,94 | 79 |
| 16 | 375 | 875 | |||
| 20;25 | 375 | 1000 | |||
| 31.5;40 | 406 | 1125 | |||
| 50 | 406 | 1250 | |||
Варианты сборки редуктора В-125

При заказе редуктора В-125 обратите внимания на его условное обозначение

Редуктор В-125
Нет отзывов об этом товаре.
Нет отзывов о данном товаре, станьте первым, оставьте свой отзыв.
Нет вопросов о данном товаре, станьте первым и задайте свой вопрос.