Редуктор В-160
Вертикальные редукторы В-160
Редукторы, которые предназначены для приведения в движение крановых установок, называются В-160. Их можно устанавливать в вертикальном положении (отсюда второе название – вертикальные) или под наклоном.
Технические требования к редуктору предписывают:
- устройство должно работать в неагрессивной, сухой среде с запыленностью помещения, которая не превышает 10 мг/м3;
- оптимальный участок рабочей температуры для редуктора В-160 от -40 до +500С;
- устройство предназначено для работы в повторно-кратковременном режиме, а не долговременном;
- скорость вращения быстрого вала не должна превышать – 1500 об/мин.
Срочно нужен редуктор? Обращайся в компанию «Промпривод», мы выручим в кратчайшие сроки! У нас вы найдете готовую продукцию, а так же сможете заказать изготовление. На любую покупку предоставляется сертификат качества и гарантия в течение 12 месяцев. Для постоянных клиентов и оптовых покупателей действует гибкая система скидок. При возникновении затруднений в выборе оборудования или оформлении заказа вы всегда можете обратиться за помощью к нашим менеджерам - заказав обратный звонок или оставить заявку онлайн.
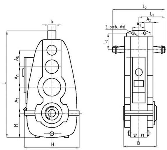
Схема и габаритные размеры В-160

| Типоразмер редуктора | АБ | АП | АТ | А1 | А2 | В | Н | h | L | L1 | L2 | L3 | M | d |
| мм | ||||||||||||||
| В-160 | 100 | 160 | 160 | 80 | 75 | 230 | 390 | 80 | 692 | 180 | 360 | 92 | 160 | 18 |
Таблица зависимости крутящего момента от передаточного числа в редукторе В-160
| Тип | Номинальное передаточное число | Номинальный крутящий момент на выходном валу при частоте вращения входного вала 1000 об/мин, Нм | КПД | Масса | |
| мин | макс | ||||
| В-160 | 10;12.5 | 668 | 2000 | 0,94 | 132 |
| 16;20 | 750 | 2500 | |||
| 25;31.5 | 750 | 2500 | |||
| 40;50 | 812,5 | 2500 | |||
Варианты сборки редуктора В-160

При заказе редуктора В-160 обратите внимания на его условное обозначение

Редуктор В-160
Нет отзывов об этом товаре.
Нет отзывов о данном товаре, станьте первым, оставьте свой отзыв.
Нет вопросов о данном товаре, станьте первым и задайте свой вопрос.