Редуктор В-160
Редуктор В-160
Редуктор вертикальный крановый В-160 применяется для передвижения кранов и кран-балок, имеет вертикальное расположение и три передачи, поэтому еще называется трехступенчатым.
Преимущества работы с нами
1. Максимально быстрая отгрузка – всегда в оговоренный срок.
2. Опытные специалисты.
3. Товар отличного качества.
4. Гарантия на каждую покупку.
5. Выгодные цены.
6. Отправим заказ любым перевозчиком, по Харькову доставим собственным транспортом.
Условия применения редуктора В-160
- вращение валов в обе стороны;
- температура внешней среды от -400С до +500С;
- неагрессивная среда, умеренная запыленность и влажность;
- частота вращения быстроходного вала не должна превышать 1000 об/мин;
- атмосфера типов I и II по ГОСТ 15150-69 при запыленности воздуха не более 10 мг/м3;
- эксплуатация в макроклиматических районах с умеренным (У), сухим и влажным тропическим (Т) климатом, категория размещения 2 по ГОСТ15150-69.

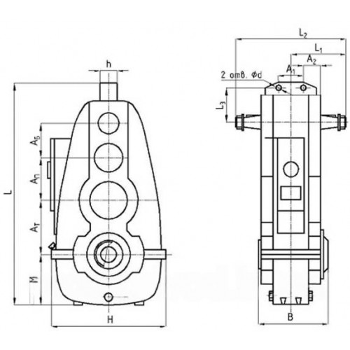
Габаритные размеры В-160
| Типоразмер редуктора | АБ | АП | АТ | А1 | А2 | В | Н | h | L | L1 | L2 | L3 | M | d |
| мм | ||||||||||||||
| В-160 | 100 | 160 | 160 | 80 | 75 | 230 | 390 | 80 | 692 | 180 | 360 | 92 | 160 | 18 |
Таблица зависимости крутящего момента от передаточного числа в редукторе В-160
| Тип | Номинальное передаточное число | Номинальный крутящий момент на выходном валу при частоте вращения входного вала 1000 об./мин, Нм | КПД | Масса | |
| мин | макс | ||||
| В-160 | 10;12,5 | 668 | 2000 | 0,94 | 132 |
| 16;20 | 750 | 2500 | |||
| 25;31,5 | 750 | 2500 | |||
| 40;50 | 812,5 | 2500 | |||
Варианты сборки редуктора В-160

При заказе редуктора В-160 обратите внимания на его условное обозначение

Редуктор В-160
Нет отзывов об этом товаре.
Нет отзывов о данном товаре, станьте первым, оставьте свой отзыв.
Нет вопросов о данном товаре, станьте первым и задайте свой вопрос.