Редуктор В-160-31.5
Крановый редуктор В-160-31.5
Редуктор В-160-31.5 в основном используется в подъемно транспортном оборудовании для изменения числа оборотов и крутящего момента приводов. Является трехступенчатым вертикальным устройством с цилиндрическим типом передачи.
Крановый редуктор В-160-31.5 выполнен в чугунном корпусе и работает в повторно-кратковременном режиме с непрерывной работой не превышающую 30 мин.
Купить крановый редуктор В-160-31.5 можно на нашем сайте компании «Промпривод» с гарантией качества 12 месяцев. Вам всего лишь потребуется оформить заказ онлайн или с помощью нашего специалиста, позвонив на номер указанный на сайте.
При покупке товара, Вы получаете высокое качество по цене производителя, паспорт к устройству и доставку в любую точку Украины.
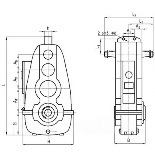
Схема габаритных и присоединительных размеров редуктора В-160-31.5

| Типоразмер редуктора | АБ | АП | АТ | А1 | А2 | В | Н | h | L | L1 | L2 | L3 | M | d |
| мм | ||||||||||||||
| В-160-31.5 | 100 | 160 | 160 | 80 | 75 | 230 | 390 | 80 | 692 | 180 | 360 | 92 | 160 | 18 |
Технические характеристики редуктора В-160-31.5
| Тип | Номинальное передаточное число | Номинальный крутящий момент на выходном валу при частоте вращения входного вала 1000 об/мин, Нм | КПД | Масса | |
| мин | макс | ||||
| В-160 | 31.5 | 750 | 2500 | 0,94 | 132 |
Варианты сборки редуктора В-160-31.5

Схема условных обозначений редуктора В-160-31.5

Редуктор В-160-31.5
Нет отзывов об этом товаре.
Нет отзывов о данном товаре, станьте первым, оставьте свой отзыв.
Нет вопросов о данном товаре, станьте первым и задайте свой вопрос.