Редуктор В-200
Вертикальные редукторы В-200
Вертикальные редукторы В-200 относятся к крановым цилиндрическим редукторам. Они предназначены для приведения в движение крановых установок и их элементов. Данные устройства изменяют высокую скорость вращения и небольшой момент кручения на входном валу на небольшую скорость вращения и высокое значение крутящего момента на выходном валу.
Как и любой механизм, редуктор В-200 имеет свои требования к использованию:
- температура окружающей среды должна находиться в диапазоне от -40 до +500С;
- среда должна быть неагрессивной, сухой и малозапыленной, не более 10 мг/м3;
- устройство лучше работает при повтороно-кратковременных режимах, чем при постоянной нагрузке.
Не знаете где лучшие цены на редукторы различной конфигурации? Обращайтесь в компанию «Промпривод», у нас вы найдете устройства на любой вкус! Цены ниже рынка на 3-10%. Вся продукция поставляется после предварительной проверки в ОТК. Гарантия качества на оборудование - 12 месяцев с момента приобретения. Доставка осуществляется во все регионы Украины в оговоренные сроки.
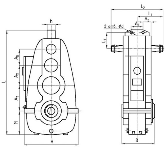
Схема и габаритные размеры В-200

| Типоразмер редуктора | АБ | АП | АТ | А1 | А2 | В | Н | h | L | L1 | L2 | L3 | M | d |
| мм | ||||||||||||||
| В-200 | 125 | 160 | 200 | 100 | 67 | 277 | 450 | 70 | 825 | 210 | 420 | 130 | 190 | 22 |
Таблица зависимости крутящего момента от передаточного числа в редукторе В-200
| Тип | Номинальное передаточное число | Номинальный крутящий момент на выходном валу при частоте вращения входного вала 1000 об/мин, Нм | КПД | Масса | |
| мин | макс | ||||
| В-200 | 10;12.5 | 1375 | 3750 | 0,94 | 200 |
| 16;20 | 1500 | 4000 | |||
| 25;31.5 | 1625 | 4500 | |||
| 40;50 | 1375 | 5000 | |||
| 63 | 1500 | ||||
| 80;100 | 1625 | ||||
Варианты сборки редуктора В-200

При заказе редуктора В-200 обратите внимания на его условное обозначение

Редуктор В-200
Нет отзывов об этом товаре.
Нет отзывов о данном товаре, станьте первым, оставьте свой отзыв.
Нет вопросов о данном товаре, станьте первым и задайте свой вопрос.