Редуктор В-200
Редуктор В-200
Редукторы цилиндрические трехступенчатые вертикальные крановые В-200, предназначены для эксплуатации в вертикальном и наклонном положении на механизмах передвижения кранов и крановых тележек. Рассчитаны на применение при нагрузке постоянной и переменной одного направления и реверсивной. Предусмотрена работа с периодическими остановками (повторно-кратковременный режим).
Преимущества работы с нами
1. Максимально быстрая отгрузка – всегда в оговоренный срок.
2. Опытные специалисты.
3. Товар отличного качества.
4. Гарантия на каждую покупку.
5. Выгодные цены.
6. Отправим заказ любым перевозчиком, по Харькову доставим собственным транспортом.
Условия применения редуктора В-200
- вращение валов в обе стороны;
- температура внешней среды от -400С до +500С;
- неагрессивная среда, умеренная запыленность и влажность;
- частота вращения быстроходного вала не должна превышать 1000 об/мин;
- атмосфера типов I и II по ГОСТ 15150-69 при запыленности воздуха не более 10 мг/м3;
- эксплуатация в макроклиматических районах с умеренным (У), сухим и влажным тропическим (Т) климатом, категория размещения 2 по ГОСТ15150-69.

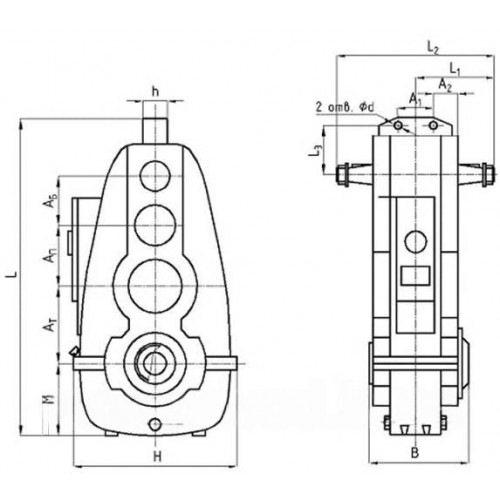
Габаритные размеры В-200
| Типоразмер редуктора | АБ | АП | АТ | А1 | А2 | В | Н | h | L | L1 | L2 | L3 | M | d |
| мм | ||||||||||||||
| В-200 | 125 | 160 | 200 | 100 | 67 | 277 | 450 | 70 | 825 | 210 | 420 | 130 | 190 | 22 |
Таблица зависимости крутящего момента от передаточного числа в редукторе В-200
| Тип | Номинальное передаточное число | Номинальный крутящий момент на выходном валу при частоте вращения входного вала 1000 об./мин, Нм | КПД | Масса | |
| мин | макс | ||||
| В-200 | 10;12,5 | 1375 | 3750 | 0,94 | 200 |
| 16;20 | 1500 | 4000 | |||
| 25;31,5 | 1625 | 4500 | |||
| 40;50 | 1375 | 5000 | |||
| 63 | 1500 | ||||
| 80;100 | 1625 | ||||
Варианты сборки редуктора В-200

При заказе редуктора В-200 обратите внимания на его условное обозначение

Редуктор В-200
Нет отзывов об этом товаре.
Нет отзывов о данном товаре, станьте первым, оставьте свой отзыв.
Нет вопросов о данном товаре, станьте первым и задайте свой вопрос.