Редуктор В-200-16
Крановый редуктор В-200-16
Крановый редуктор В-200-16 надежный и долговечный механизм, применяют в конструкциях для передвижения подъемных кранов. Он используется в паре с приводом и изменяет его крутящий момент и число оборотов.
Редуктор В-200-16 относят к категории вертикальных устройств. Работает в повторно-кратковременном режиме. Эксплуатируется он в сухом, умеренном или тропическом климате при температуре от -40 до +50 градусов Цельсия.
Корпус выполнен из чугуна, а его масса составляет 200 кг.
Купить крановый редуктор В-200-16 можно на нашем сайте компании «Промпривод» по доступной цене. Вам всего лишь потребуется оформить заказ онлайн или с помощью нашего специалиста, позвонив на номер указанный на сайте.
При покупке товара, Вы получаете не только высокое качество по цене производителя, но и паспорт к устройству с гарантией 12 месяцев. Доставка возможна в любую точку Украины.
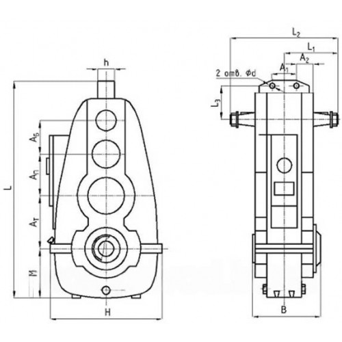
Схема габаритных и присоединительных размеров редуктора В-200-16

| Типоразмер редуктора | АБ | АП | АТ | А1 | А2 | В | Н | h | L | L1 | L2 | L3 | M | d |
| мм | ||||||||||||||
| В-200-16 | 125 | 160 | 200 | 100 | 67 | 277 | 450 | 70 | 825 | 210 | 420 | 130 | 190 | 22 |
Технические характеристики редуктора В-200-10
| Тип | Номинальное передаточное число | Номинальный крутящий момент на выходном валу при частоте вращения входного вала 1000 об/мин, Нм | КПД | Масса | |
| мин | макс | ||||
| В-200 | 16 | 1500 | 4000 | 0,94 | 200 |
Варианты сборки редуктора В-200-16

Схема условных обозначений редуктора В-200-16

Редуктор В-200-16
Нет отзывов об этом товаре.
Нет отзывов о данном товаре, станьте первым, оставьте свой отзыв.
Нет вопросов о данном товаре, станьте первым и задайте свой вопрос.