Редуктор В-250
Редукторы вертикальные крановые В-250
Редукторы В-250 относятся к группе вертикальных редукторов, которые применяют в крановых конструкциях. Они помогают привести в движение элементы крановой установки, а так же преобразовать низкий крутящий момент и высокую скорость вращения вала на входе в высокий момент кручения и низкую скорость кручения на выходе.
Для правильного функционирования устройства следует выполнять следующие правила:
- мультипликатор В-250 должен находиться в помещении с неагрессивной сухой средой и запыленностью воздуха не более 10 мг/м3;
- механизм предназначен для работы с повторяющимися кратковременными нагрузками;
- максимальная скорость вращения вала на входе не должна превышать 1500 об/мин;
- температура воздуха не должна выходить за пределы от -40 до +500С.
Ищите редуктор по максимально доступной цене? Компания «Промпривод» решит вашу проблему! Мы предлагаем огромное количество готовых механизмов или их изготовление под заказ. Обращайтесь, будем рады вашим звонкам.
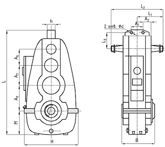
Схема и габаритные размеры В-250

| Типоразмер редуктора | АБ | АП | АТ | А1 | А2 | В | Н | h | L | L1 | L2 | L3 | M | d |
| мм | ||||||||||||||
| В-250 | 160 | 200 | 250 | 120 | 79 | 322 | 552 | 80 | 1015 | 240 | 480 | 137.5 | 240 | 22 |
Таблица зависимости крутящего момента от передаточного числа в редукторе В-250
| Тип | Номинальное передаточное число | Номинальный крутящий момент на выходном валу при частоте вращения входного вала 1000 об/мин, Нм | КПД | Масса |
| В-200 | 10;12.5; 16;20; 25;31.5; 40;50; 63; 80;100 | 2750 … 10000 | 0,94 | 360 |
Варианты сборки редуктора В-250

При заказе редуктора В-250 обратите внимания на его условное обозначение

Редуктор В-250
Нет отзывов об этом товаре.
Нет отзывов о данном товаре, станьте первым, оставьте свой отзыв.
Нет вопросов о данном товаре, станьте первым и задайте свой вопрос.