Редуктор В-250-31.5
Крановый редуктор В-250-31.5
Цилиндрический редуктор В-250-31.5 является надежным и простым в использовании устройством. Его применяют в механизмах передвижения грузоподъемного оборудования с целью изменения параметров вращения приводов. В связи с основным направлением его применения он еще называется крановым редуктором.
Редуктор В-250-31.5 имеет возможность работать в двух режимах:
- беспрерывном (не более 30 минут),
- повторно-кратковременном.
Валы его могут вращаться в любом направлении при разных типах нагрузки.
Купить редуктор В-250-31.5 Вы можете на сайте компании производителя «Промпривод» по самой выгодной цене. Мы предлагаем только качественный товар который прошел все необходимые испытание. Заказать изделие можно непосредственно на сайте, оставив заявку онлайн.
Покупая товар на нашем предприятии, Вы получаете паспорт с подробными характеристиками и отметками ОТК, а также гарантию 12 месяцев. Доставка осуществляется в максимально короткие сроки во все регионы Украины. Для постоянных клиентов и оптовых покупателей действует гибкая система скидок.
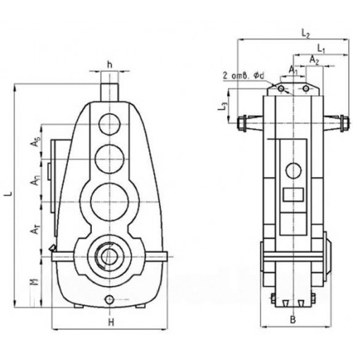
Схема габаритных и присоединительных размеров редуктора В-250-31.5

| Типоразмер редуктора | АБ | АП | АТ | А1 | А2 | В | Н | h | L | L1 | L2 | L3 | M | d |
| мм | ||||||||||||||
| В-250-31.5 | 160 | 200 | 250 | 120 | 79 | 322 | 552 | 80 | 1015 | 240 | 480 | 137.5 | 240 | 22 |
Технические характеристики редуктора В-250-31.5
| Тип | Номинальное передаточное число | Номинальный крутящий момент на выходном валу при частоте вращения входного вала 1000 об/мин, Нм | КПД | Масса |
| В-250 | 31.5 | 2750 … 10000 | 0,94 | 360 |
Варианты сборки редуктора В-250-31.5

Схема условных обозначений редуктора В-250-31.5

Редуктор В-250-31.5
Нет отзывов об этом товаре.
Нет отзывов о данном товаре, станьте первым, оставьте свой отзыв.
Нет вопросов о данном товаре, станьте первым и задайте свой вопрос.