Редуктор В-250-40
Крановый редуктор В-250-40
Редуктор В-250-40 относится к категории крановых и используется в устройствах передвижения подъемных кранов для изменения числа оборотов и крутящего момента привода. Работает в повторно-кратковременном режиме.
Механизм В-250-40 эксплуатируется в сухом, умеренном и тропическом климате. Рекомендуется не применять его в агрессивной среде.
Купить крановый редуктор В-250-40 можно на нашем сайте компании «Промпривод» заказав обратный звонок или заполнив форму онлайн.
Покупая товар на нашем предприятии, Вы получаете цены ниже рынка на 3-10%. Доставка осуществляется по всем регионам Украины сразу после внесения оплаты. Гарантия качества на оюорудование - 1 год с момента приобретения. Вся продукция поставляется после предварительной проверки в ОТК.
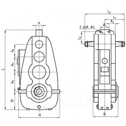
Схема габаритных и присоединительных размеров редуктора В-250-40

| Типоразмер редуктора | АБ | АП | АТ | А1 | А2 | В | Н | h | L | L1 | L2 | L3 | M | d |
| мм | ||||||||||||||
| В-250-40 | 160 | 200 | 250 | 120 | 79 | 322 | 552 | 80 | 1015 | 240 | 480 | 137.5 | 240 | 22 |
Технические характеристики редуктора В-250-40
| Тип | Номинальное передаточное число | Номинальный крутящий момент на выходном валу при частоте вращения входного вала 1000 об/мин, Нм | КПД | Масса |
| В-250 | 40 | 2750 … 10000 | 0,94 | 360 |
Варианты сбоки редуктора В-250-40

Схема условных обозначений редуктора В-250-40

Редуктор В-250-40
Нет отзывов об этом товаре.
Нет отзывов о данном товаре, станьте первым, оставьте свой отзыв.
Нет вопросов о данном товаре, станьте первым и задайте свой вопрос.