Редуктор В-250-50
Крановый редуктор В-250-50
Цилиндрический редуктор В-250-50 предназначен для изменения параметров вращения электроприводов, которые используются в механизмах грузоподъемного оборудования и тележек. Он устанавливается в вертикальном положении или под наклоном.
Конструкционно редуктор В-250-50 состоит из трехступенчатого механизма с параллельно расположенными осями. Все это расположено в чугунном корпусе. При желании материал корпуса возможно изменить.
Работает В-250-50 в двух режимах, это:
- повторно-кратковременном,
- беспрерывном, но не дольше 30 минут.
Купить редуктор В-250-50 Вы можете на сайте компании-производителя «Промпривод» по самой выгодной цене. Мы предлагаем только качественный товар который прошел все необходимые испытания. Заказать изделие можно непосредственно на сайте, заполнив не сложную онлайн заявку. При покупке Вы также получаете паспорт с подробными характеристиками и отметками ОТК, а также гарантию 12 месяцев. Доставка выполняется в максимально короткие сроки во все регионы Украины.
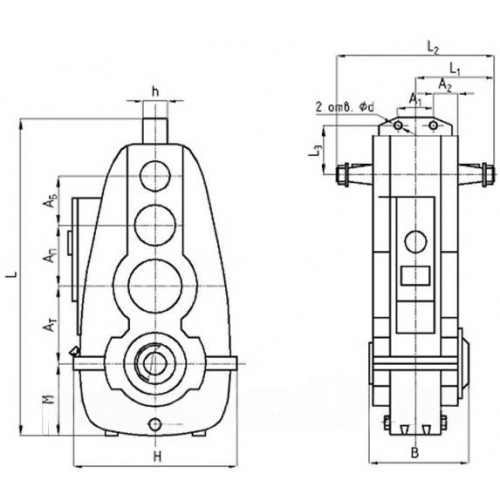
Схема габаритных и присоединительных размеров редуктора В-250-50

| Типоразмер редуктора | АБ | АП | АТ | А1 | А2 | В | Н | h | L | L1 | L2 | L3 | M | d |
| мм | ||||||||||||||
| В-250-50 | 160 | 200 | 250 | 120 | 79 | 322 | 552 | 80 | 1015 | 240 | 480 | 137.5 | 240 | 22 |
Технические характеристики редуктора В-250-50
| Тип | Номинальное передаточное число | Номинальный крутящий момент на выходном валу при частоте вращения входного вала 1000 об./мин, Нм | КПД | Масса |
| В-250 | 50 | 2750 … 10000 | 0,94 | 360 |
Варианты сборки редуктора В-250-50

Схема условных обозначений редуктора В-250-50

Редуктор В-250-50
Нет отзывов об этом товаре.
Нет отзывов о данном товаре, станьте первым, оставьте свой отзыв.
Нет вопросов о данном товаре, станьте первым и задайте свой вопрос.